Display service brake booster?

Tiny
KNEPPER55
  • MEMBER
  • 2003 CHEVROLET SUBURBAN
  • 48,000 MILES
In vacuum assist brakes there is a motor mounted on the booster. When I start the truck the elec motor turns on and runs for about 1 min then shuts off. My display in the dash says to service brake booster I so I need help.
Sunday, April 8th, 2012 AT 6:18 PM

1 Reply

Tiny
JACOBANDNICKOLAS
  • MECHANIC
  • 110,192 POSTS
Hi,

Replacing the brake booster isn't too hard, but you will need to remove the brake master cylinder to do it. Here are the directions specific to your vehicle for removal and replacement. The attached pictures correlate with the directions.

_______________________________

2003 Chevy Truck K 1500 Suburban 4WD V8-5.3L VIN T
Procedures
Vehicle Brakes and Traction Control Power Brake Assist Vacuum Brake Booster Service and Repair Procedures
PROCEDURES
Vacuum Brake Booster Replacement

Removal Procedure

Caution: Refer to Brake Fluid Irritant Caution in Cautions and Notices.

Note: Refer to Brake Fluid Effects on Paint and Electrical Components Notice in Cautions and Notices.

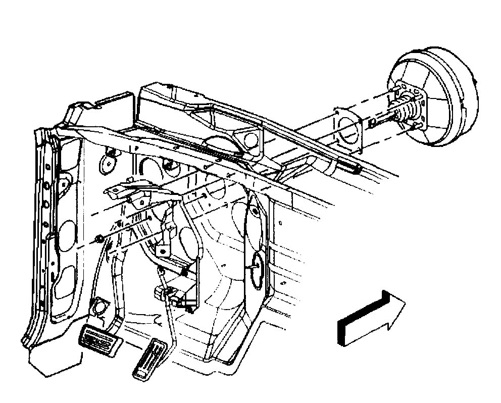
1. Apply the park brake and block the wheels.

Pic 1

2. Remove the brake master cylinder. Refer to Master Cylinder Replacement (Vacuum Boost) Master Cylinder Replacement (Hydraulic Boost).
3. Remove the vacuum hose from the brake booster check valve.

Pic 2

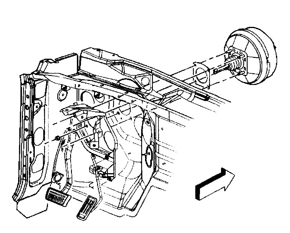
4. Remove the pushrod retaining clip (4) from the brake pedal stud (1).
5. Remove the stop lamp switch (2) and the pushrod (3) from the brake pedal stud (1).

Pic 3

6. Remove the 4 vacuum booster mounting nuts.
7. Remove the vacuum booster.
8. Remove the gasket from the booster and discard.

Installation Procedure

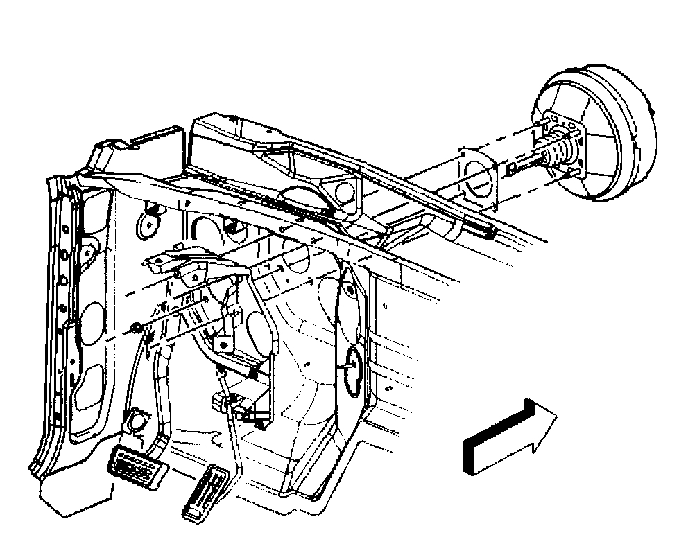
1. Install the gasket to the booster.
2. Install the vacuum booster.

Note: Refer to Fastener Notice in Cautions and Notices.

3. Install the 4 vacuum booster mounting nuts.
- Tighten the nuts to 36 N.M (27 lb ft).

Pic 4

4. Install the pushrod (3) and the stop lamp switch (2) to the brake pedal stud (1).
5. Install the pushrod retaining clip (4) to the brake pedal stud (1).
6. Install the vacuum hose to the brake booster check valve.

Pic 5

7. Install the master cylinder. Refer to Master Cylinder Replacement (Vacuum Boost)Master Cylinder Replacement (Hydraulic Boost).
8. Release the park brake and unblock the wheels.

________________________

I hope this helps. Let me know if you have other questions.

Take care and God Bless,

Joe
Was this
answer
helpful?
Yes
No
Wednesday, March 10th, 2021 AT 9:05 PM

Please login or register to post a reply.