Where is the tac module located on the throttle 2003 Silverado?

Tiny
DBRIDERAZ1
  • MEMBER
  • 2003 CHEVROLET SILVERADO
  • 130,000 MILES
Getting reduced engine power re-wired throttle body connector did not remedy? Tac module location?
Wednesday, November 30th, 2011 AT 3:13 AM

8 Replies

Tiny
KEN L
  • MASTER CERTIFIED MECHANIC
  • 55,302 POSTS
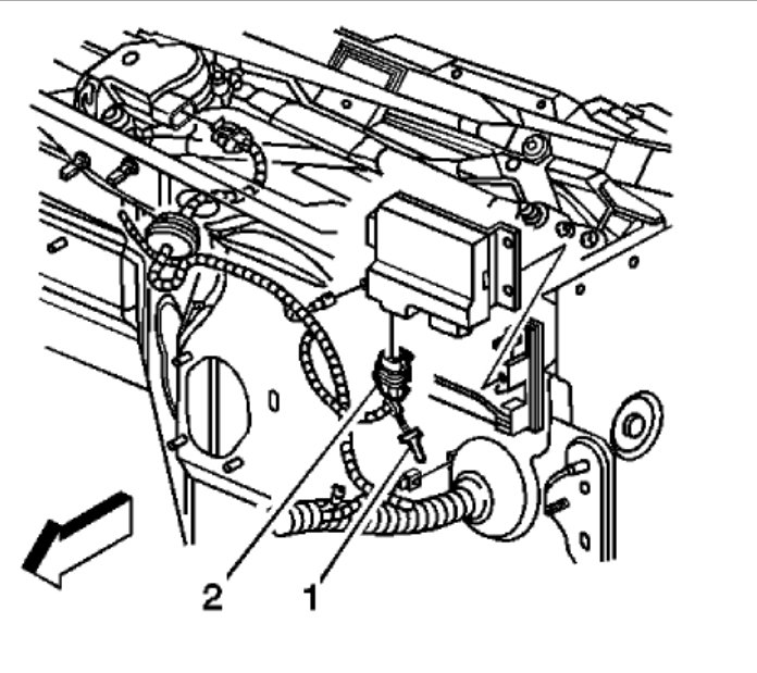
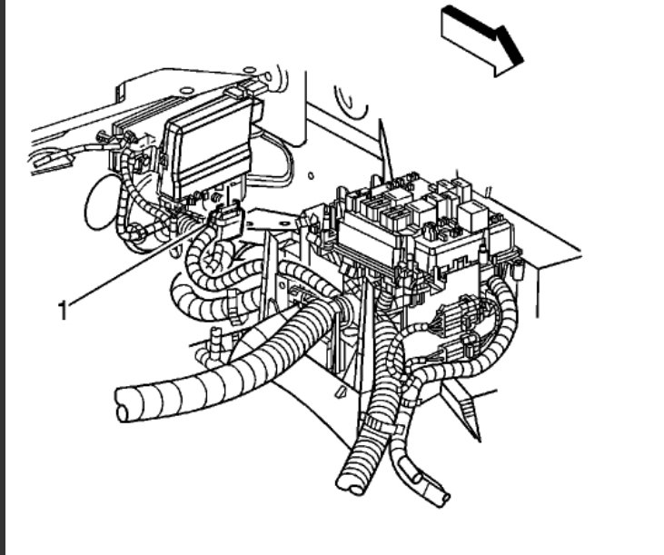
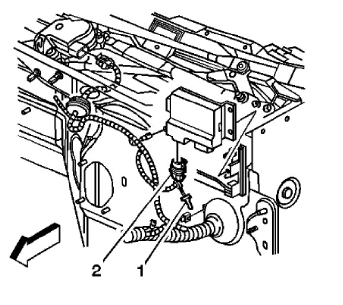
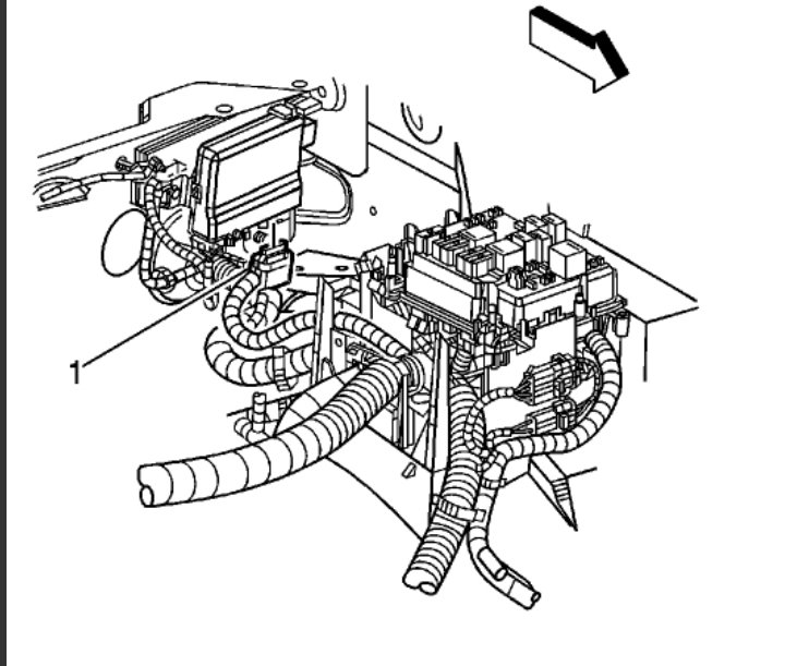
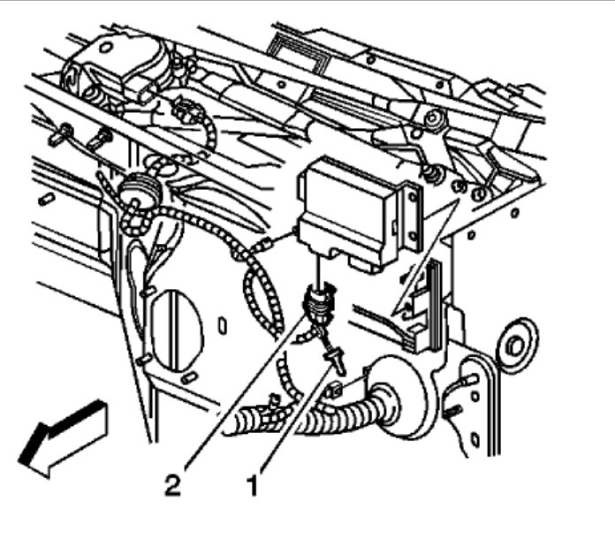
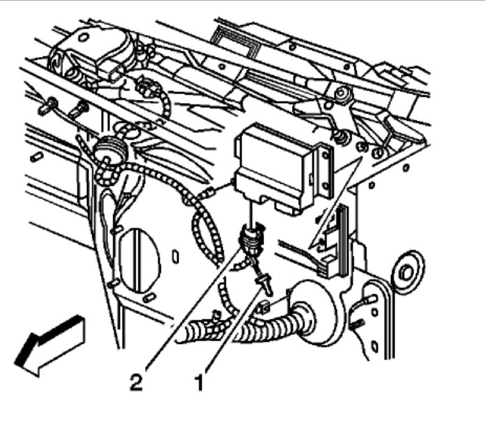
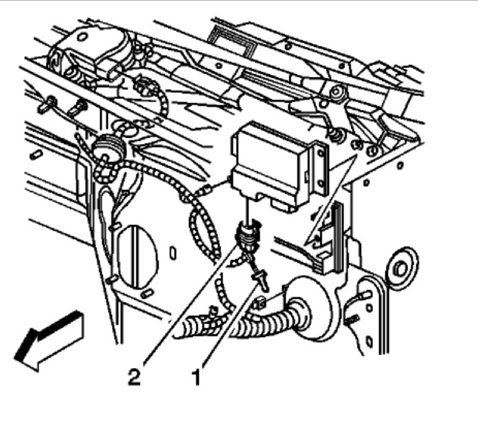
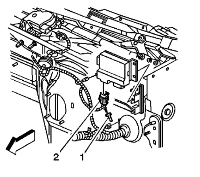
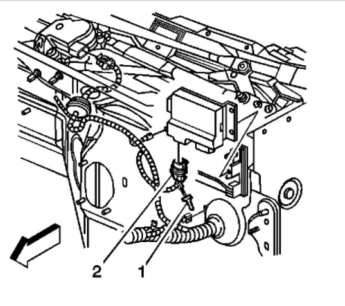
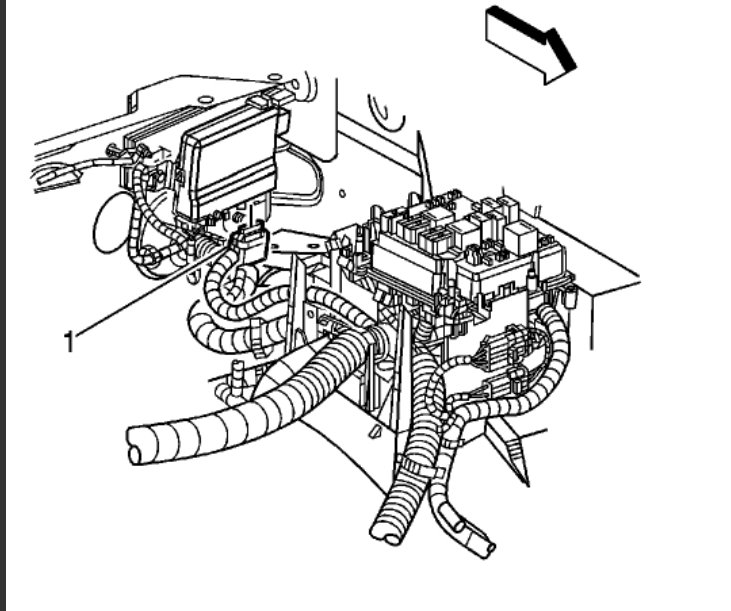
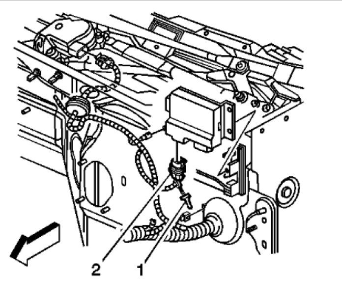
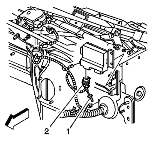
The TAC modules go out all the time they are all over ebay for like $185.00. Here is the location on the diagrams below. Check out the diagrams (Below) Please let us know if you need anything else to get the problem fixed. Cheers, Ken
Was this
answer
helpful?
Yes
No
+5
Wednesday, November 30th, 2011 AT 3:19 AM
Tiny
DBRIDERAZ1
  • MEMBER
  • 3 POSTS
5.3 liter engine, had a local shop have connector to throttle body rewired/replaced, they said that was it - dealer says it needs a tac module and a throttle body.
Was this
answer
helpful?
Yes
No
-1
Wednesday, November 30th, 2011 AT 4:39 AM
Tiny
DBRIDERAZ1
  • MEMBER
  • 3 POSTS
Truck goes into reduced engine power mode, the new module fixed it :)
Was this
answer
helpful?
Yes
No
+12
Wednesday, November 30th, 2011 AT 4:47 AM
Tiny
KEN L
  • MASTER CERTIFIED MECHANIC
  • 55,302 POSTS
Good to hear, please use 2CarPros anytime we are here to help.

Cheers, Ken
Was this
answer
helpful?
Yes
No
Wednesday, November 30th, 2011 AT 10:23 AM
Tiny
SMITHMOWINGSERVICE
  • MEMBER
  • 2 POSTS
Same issue here 03 Silverado 5.3. Reduced engine power pretty much whenever it feels like it. Getting a tac code. Cleared and only comes back once it reads the REP. It's exhausting.
Was this
answer
helpful?
Yes
No
Friday, September 11th, 2020 AT 2:24 PM
Tiny
ASEMASTER6371
  • MECHANIC
  • 52,796 POSTS
Good morning,

What is the code number that you currently have stored?

Roy
Was this
answer
helpful?
Yes
No
+2
Saturday, September 12th, 2020 AT 8:03 AM
Tiny
SMITHMOWINGSERVICE
  • MEMBER
  • 2 POSTS
I would have to check again but I believe it says p1516 throttle vs command (tac). I bought the pedal sensor and waiting to install that tomorrow.
Was this
answer
helpful?
Yes
No
+1
Friday, September 18th, 2020 AT 3:03 PM
Tiny
DANNY L
  • MECHANIC
  • 5,648 POSTS
Hello, I'm Danny.

That sounds like more of a tac symptom than a accelerator position sensor. I've attached picture steps below of a diagnostic flow chart to help you diagnose before you just start buying parts. Hope this helps and thanks for using 2CarPros.
Was this
answer
helpful?
Yes
No
+1
Friday, September 18th, 2020 AT 9:12 PM

Please login or register to post a reply.