I tried to start the engine but it want start n.

Tiny
ANONYMOUS
  • MEMBER
  • 2003 CHEVROLET EXPRESS
  • 240,000 MILES
I tried to start the engine but it want start n I don't hear any voice from the starter, I puted a new battery n it want start o I was wonder if it may be the starter that I need to change
N I crossed the terminals n. It didnt work
Thursday, January 31st, 2013 AT 8:07 PM

1 Reply

Tiny
JDL
  • MECHANIC
  • 16,098 POSTS
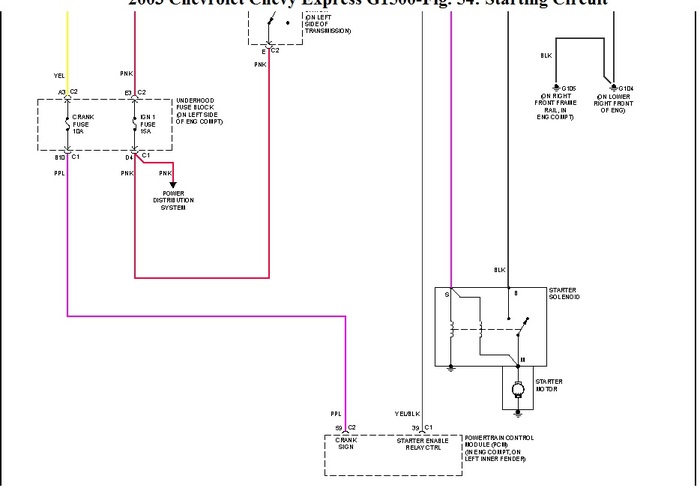
The info I looked at was for g1500 chevy express. In the diagram, not only check the fuses, check for proper voltage at the fuse circuits. Also, check fusible link. Any testing at the starter make sure tranny is in park or neutral and the parking brake is set. The starter s terminal goes hot with key in the crank position. The other terminal at starter comes from + battery, hot all the time.
Was this
answer
helpful?
Yes
No
Thursday, January 31st, 2013 AT 11:20 PM

Please login or register to post a reply.