power window replacement

2003 CHEVROLET CAVALIER
Avatar
ANONYMOUS
  • MEMBER
  • 1 POST
My power window motor went out how do i replace it?
Apr 8, 2013 at 12:11 PM
Repair Safety Notice: This information is for general instructional purposes only. Vehicle repair can be dangerous. Verify all information, follow manufacturer service procedures, use proper tools and safety equipment, and consult a qualified repair shop when needed.
Advertisement
Avatar
JACOBANDNICKOLAS
  • CAR REPAIR CONTRIBUTOR
  • 110,190 POSTS
Hi,

The motor and window regulator is replaced as a unit on this vehicle. Here are the directions. The attached pics correlate with the directions.

____________________

2003 Chevrolet Cavalier L4-2.2L VIN F
Door Window Regulator Replacement (Power)
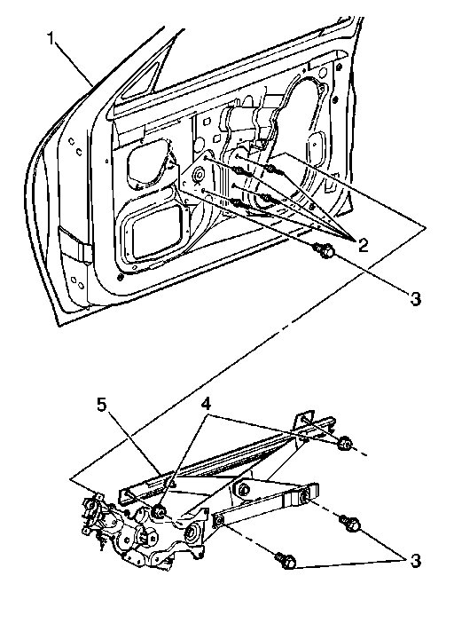
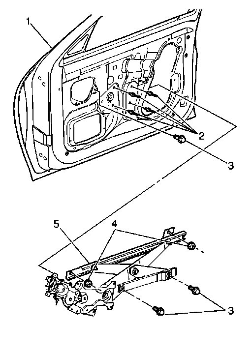
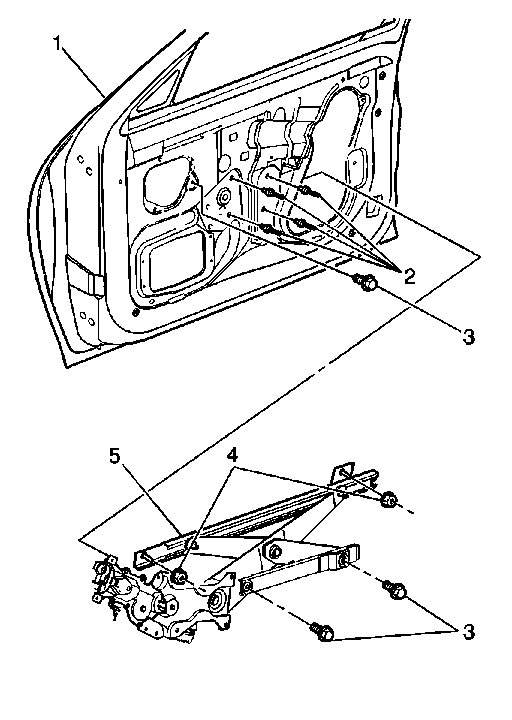
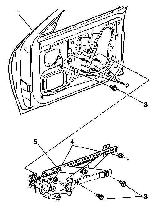
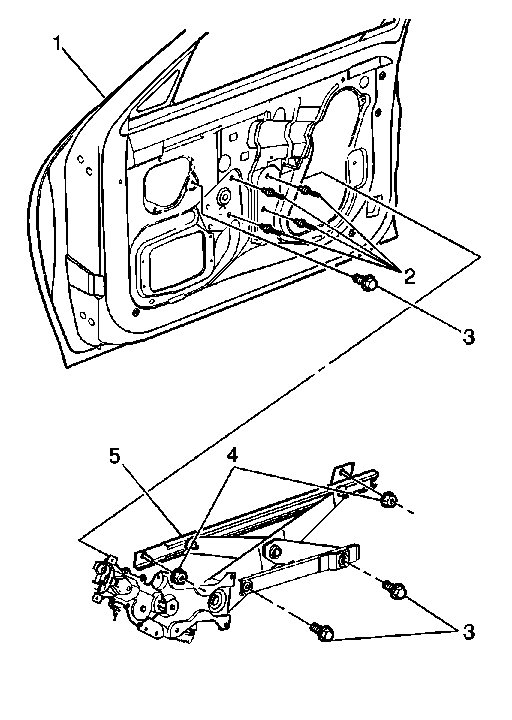
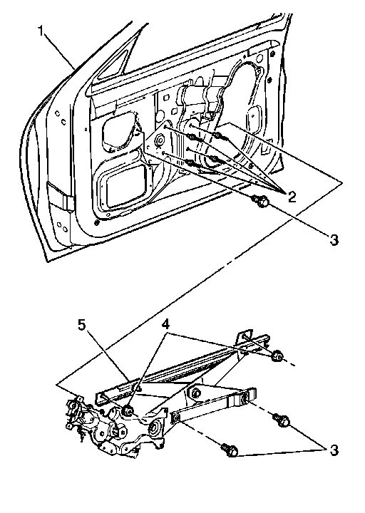
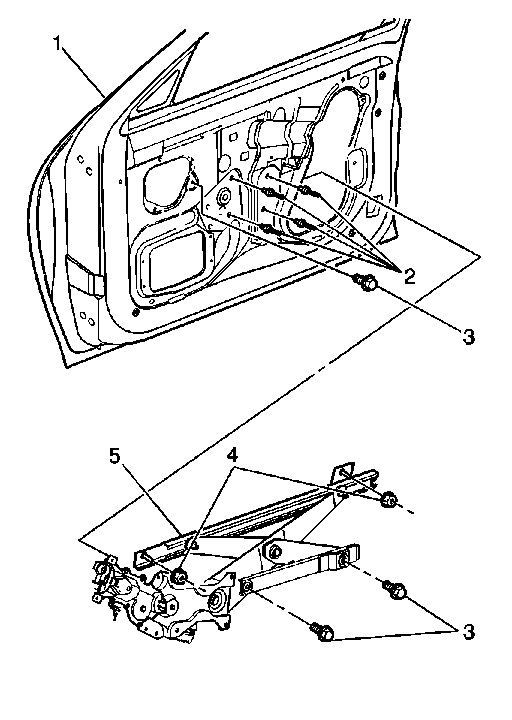
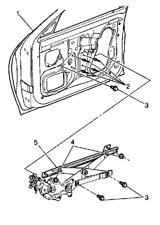
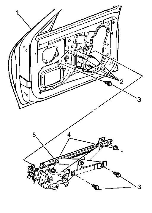
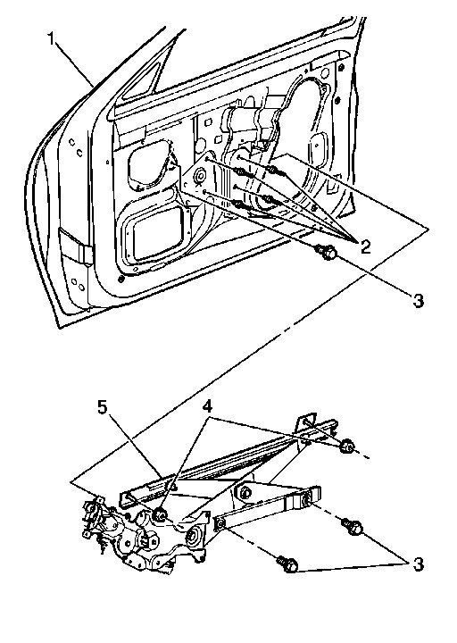
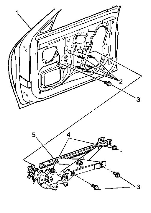
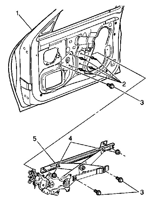
Vehicle Windows and Glass Windows Window Regulator Front Door Window Regulator Service and Repair Removal and Replacement Door Window Regulator Replacement (Power)
DOOR WINDOW REGULATOR REPLACEMENT (POWER)
Front Side Door Window Regulator Replacement (Power Regulator)

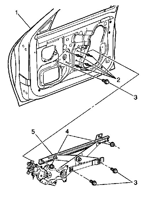
Removal Procedure

1. Lower the window to the three quarters down position.


pic 1

2. Remove the door trim panel.
3. Remove the water deflector in order to access the window regulator.
4. Remove the window to regulator nuts (4).
5. Push the window to the closed position and tape in place.
6. Disconnect the regulator electrical connector.
7. Remove the power window regulator bolts (3).
8. Drill out the power window regulator rivets (2).
9. Remove the power window regulator (5) from the door.

Installation Procedure


pic 2

1. Position the power window regulator (5) in the door.
2. Connect the door window regulator electrical connector.
3. Install the power window regulator rivets (2).

Notice: Refer to Fastener Notice in Service Precautions.

4. Install the power window regulator bolts (3).

Tighten the regulator bolts (3) to 10 N.m (89 lb in).

5. Remove the tape from the window and push the window down to the regulator.
6. Install the power window to regulator nuts (4).

Tighten the window to regulator nuts (4) to 10 N.m (89 lb in).

7. Install the water deflector.
8. Install the door trim panel.

_________________________

Let me know if this helps or if you have other questions.

Take care,
Joe
Dec 7, 2020 at 7:56 PM
Advertisement