My blower motor does not come on

Tiny
ANONYMOUS
  • MEMBER
  • 2003 CHEVROLET ASTRO
  • 145,000 MILES
My blower motor does not come on. I checked for power and do not have checked fuse it is good dont know what to check
Wednesday, February 13th, 2013 AT 12:17 AM

4 Replies

Tiny
WRENCHTECH
  • MECHANIC
  • 20,761 POSTS
Check the FRT HVAC fuse (30amp) in the underhood fuse box and if that is good, then you likely have a bad blower resister.
Was this
answer
helpful?
Yes
No
+1
Wednesday, February 13th, 2013 AT 12:29 AM
Tiny
JDL
  • MECHANIC
  • 16,098 POSTS
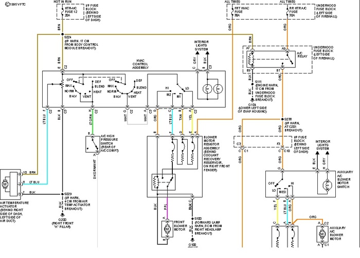
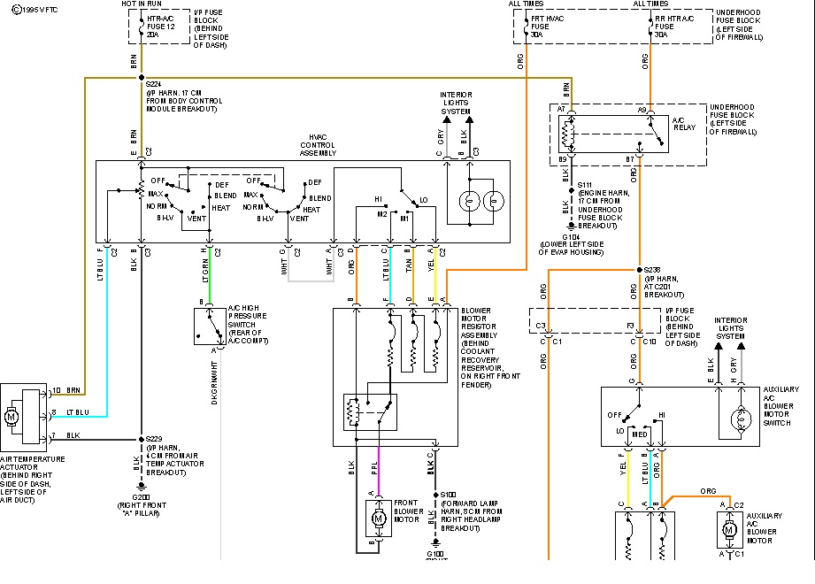
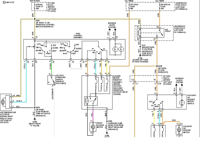
At the front blower, purple wire is voltage. Black is ground. At the top right of diagram that front hvac fuse, is hot all the time. Use a voltage tester, check for voltage at the fuse circuit. That voltage on that circuit is only for high-speed, only. When that relay in the resistor assembly is energized, that line with the arrow head moves to the other terminal, carries voltage to front blower motor. When relay is not energized, you have continuity for lower speeds. Could be problem with resistor assembly?
Was this
answer
helpful?
Yes
No
Wednesday, February 13th, 2013 AT 12:33 AM
Tiny
JDL
  • MECHANIC
  • 16,098 POSTS
Hi wrench, didn't see you, maybe you guys can use diagram.
Was this
answer
helpful?
Yes
No
Wednesday, February 13th, 2013 AT 12:35 AM
Tiny
WRENCHTECH
  • MECHANIC
  • 20,761 POSTS
This is going to have a bad resister.
Was this
answer
helpful?
Yes
No
Wednesday, February 13th, 2013 AT 12:41 AM

Please login or register to post a reply.