Rear Axle Differential for a 2003 Buick Rendezvous AVD

Tiny
JUSTINE SMITH
  • MEMBER
  • 2003 BUICK RENDEZVOUS
  • 6 CYL
  • AWD
  • AUTOMATIC
  • 71,000 MILES
Send me the pictures of the procedures for replacing the differential for the 2003 Buick Rendezvous AWD. I received the instructions and now I need the pictures.
Thank you.
Tuesday, August 9th, 2011 AT 1:38 PM

2 Replies

Tiny
FACTORYJACK
  • MECHANIC
  • 4,159 POSTS
I will send what I can, there will be no arrangement(order) for them to reference to the text, but I will try and install them in order from first to last. It will be sometime tonight, as I am at work, and will not have the time. I would speculate after 9 pm PST.
Was this
answer
helpful?
Yes
No
Tuesday, August 9th, 2011 AT 3:10 PM
Tiny
FACTORYJACK
  • MECHANIC
  • 4,159 POSTS
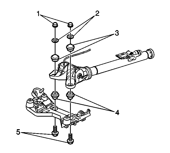
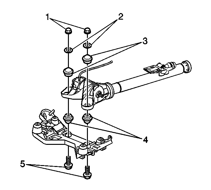
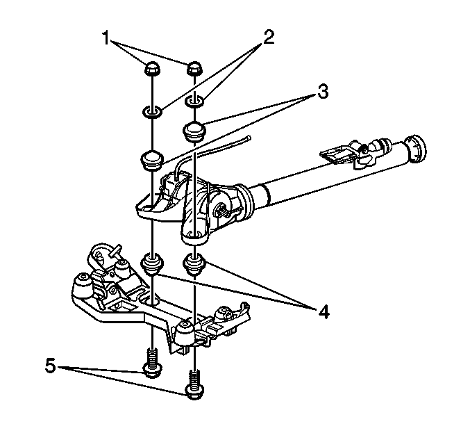
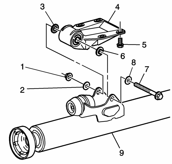
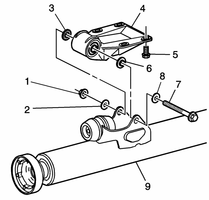
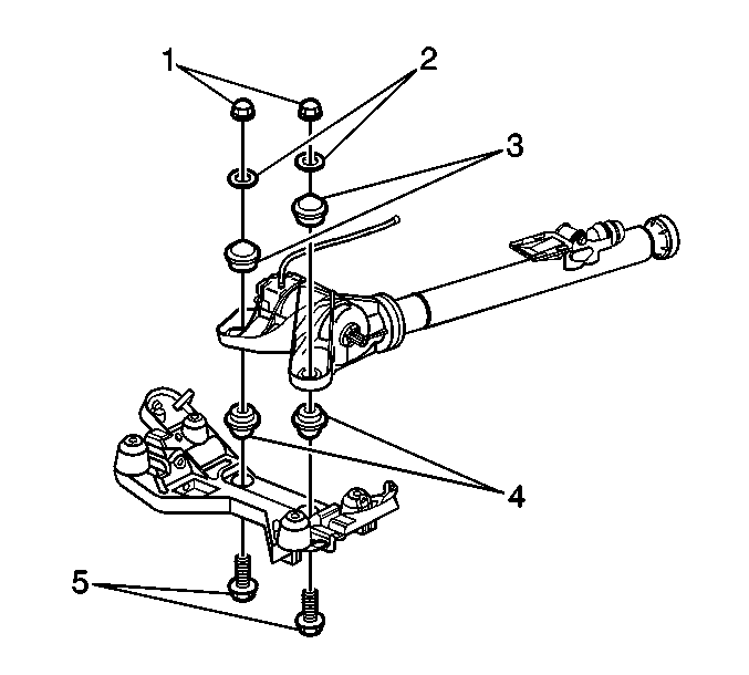
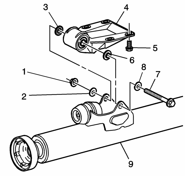
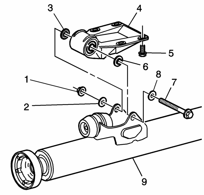
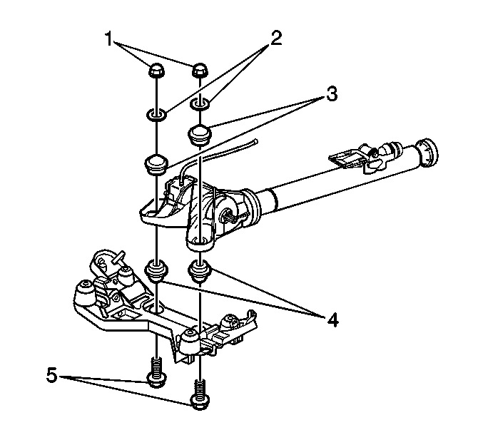
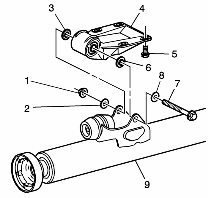
Here are the pictures. The series of pictures are to coincide with removal procedures, and they are the same for installation as well.
Was this
answer
helpful?
Yes
No
+2
Wednesday, August 10th, 2011 AT 4:39 AM

Please login or register to post a reply.