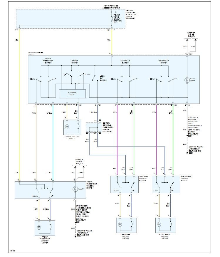
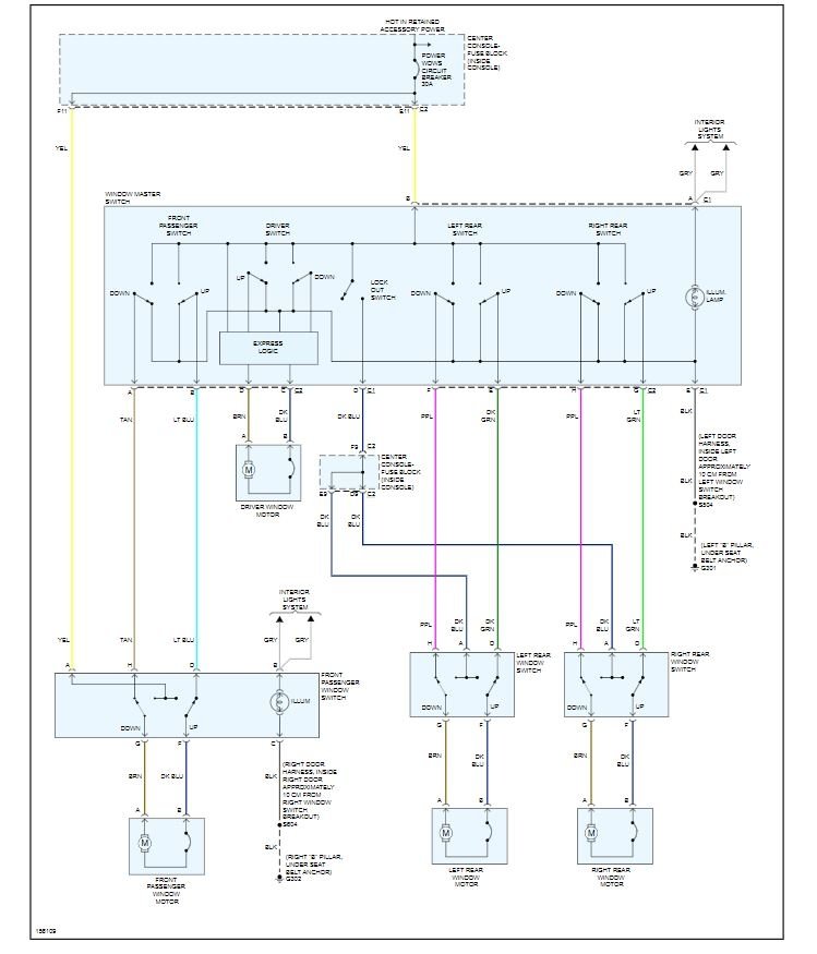
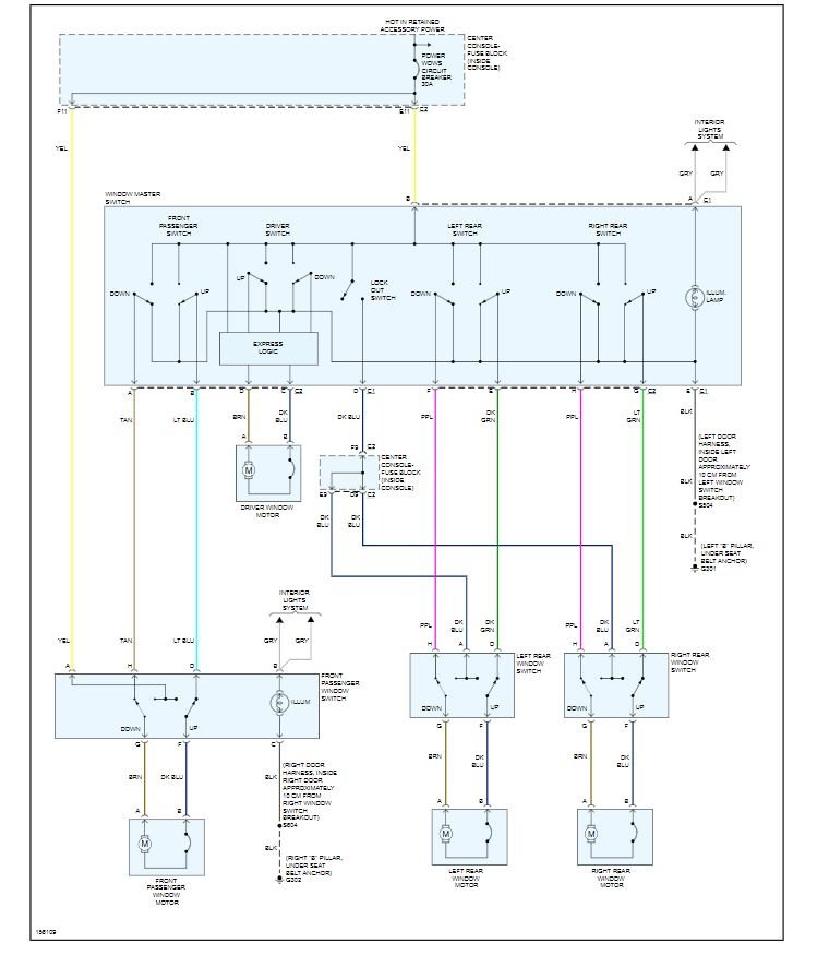
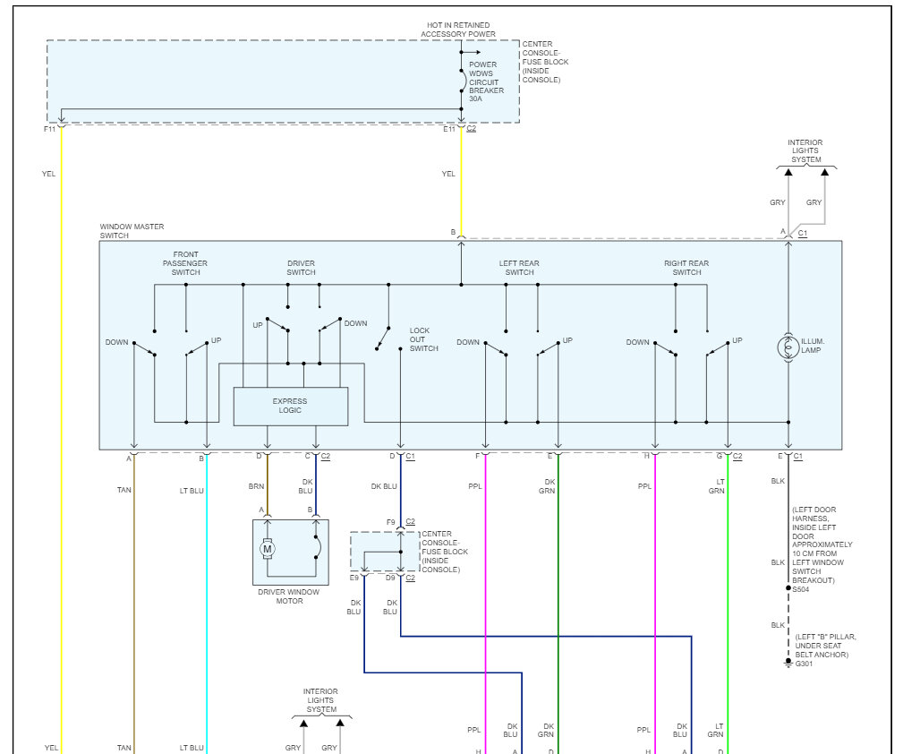
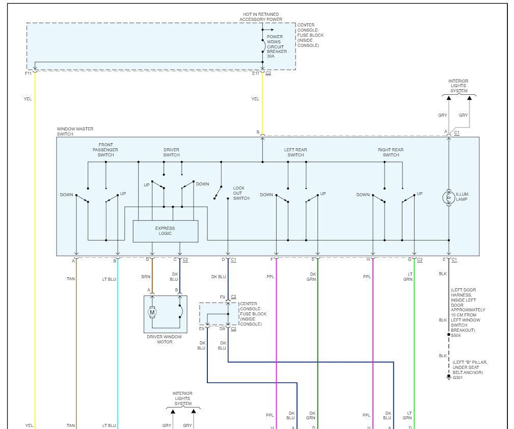
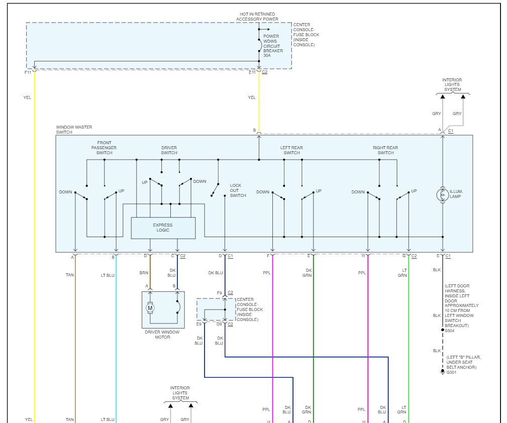
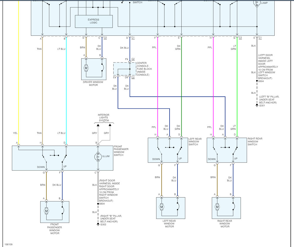
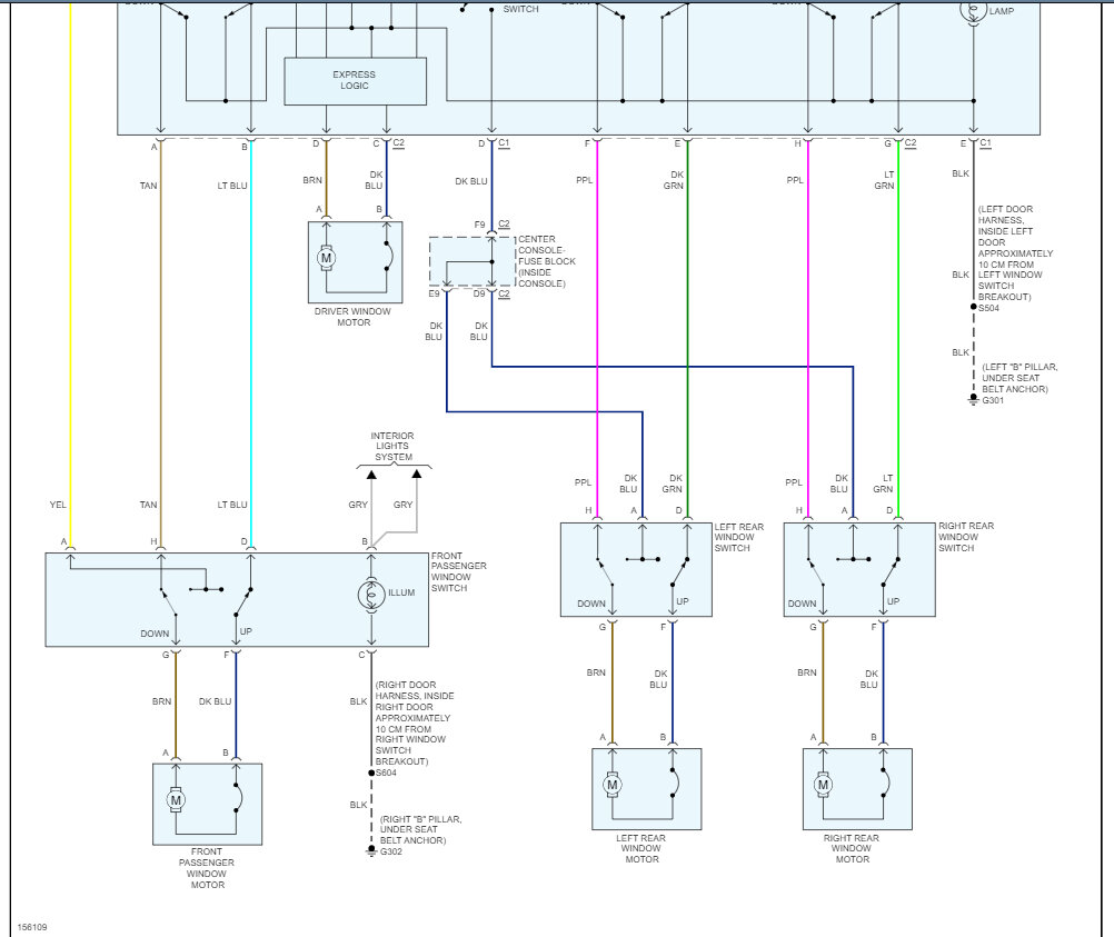
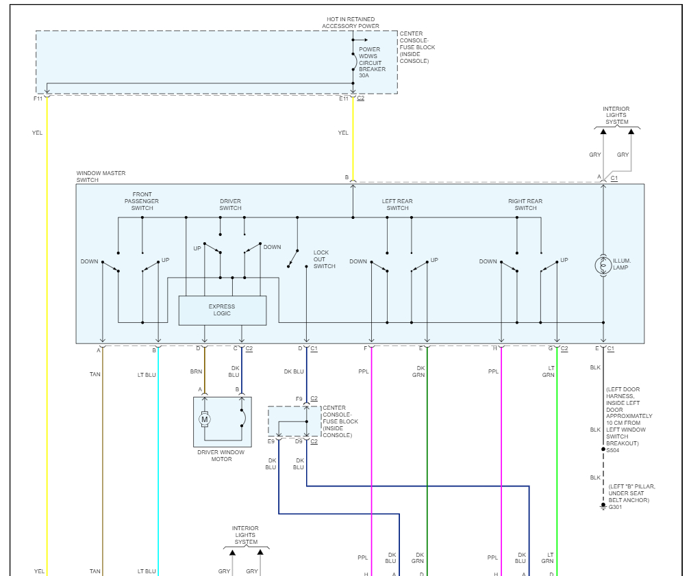
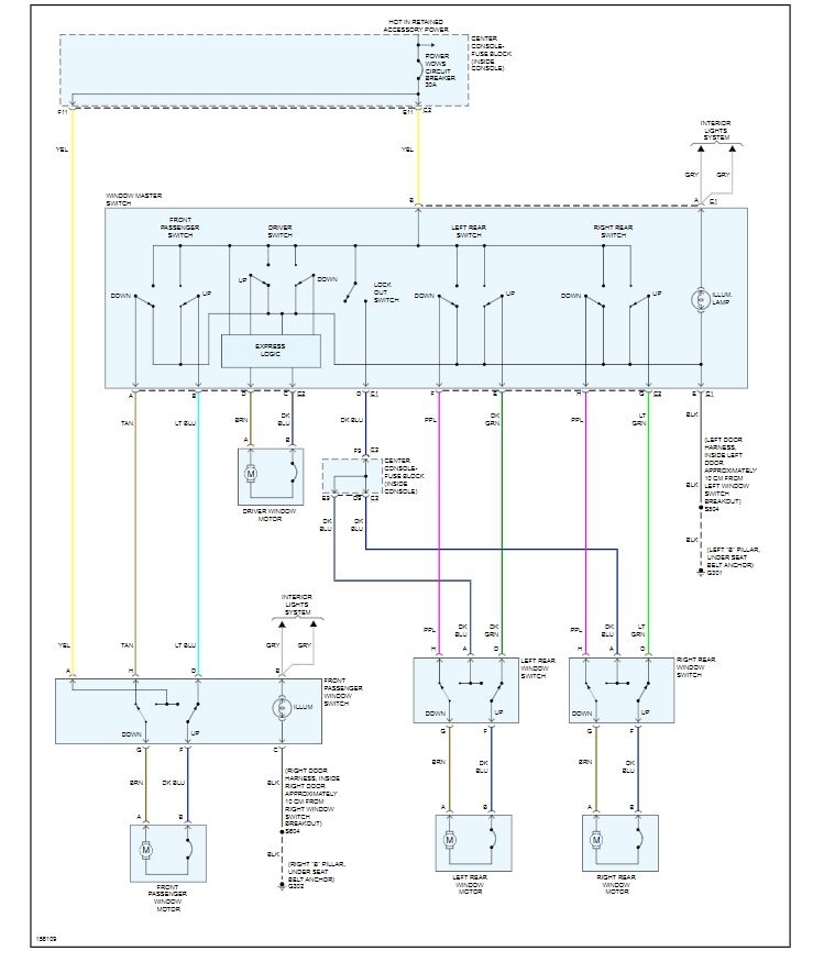
Thursday, March 15th, 2012 AT 3:40 AM
Power windows have quit working. There is no power getting to the window switches and the circuit breaker checks out okay with a multimeter. What to do next?



