Air Condenser Change

Tiny
JOSEPATLAN
  • MEMBER
  • 2003 BUICK LESABRE
  • 6 CYL
What are all the things I need to do to change the air condenser on a 2003 buick le sabre?
Monday, April 11th, 2011 AT 9:37 PM

1 Reply

Tiny
RASMATAZ
  • MECHANIC
  • 75,992 POSTS
CONDENSER REPLACEMENT

TOOLS REQUIRED
J 39400-A Halogen Leak Detector

REMOVAL PROCEDURE

Recover the refrigerant.
Remove the upper tie bar support brace bolts at the upper tie bar.
Loosen the support brace bolts at the headlamp and bumper fascia mounting panel and position out of the way.

Remove the upper radiator seal.

Remove the upper radiator mounting brackets.

Disconnect the compressor hose from the condenser.
Remove the front headlamps.

Disconnect the evaporator hose from the condenser.

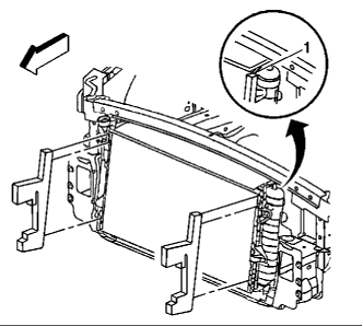
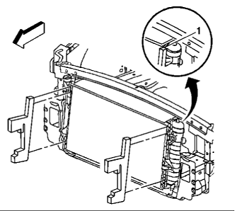
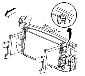
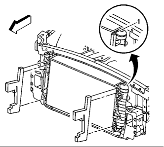
Remove the fasteners (1) from the left and right sides of the headlamp and bumper fascia mounting panel.
Lift the headlamp and bumper fascia mounting panel and pull forward in car to obtain access to the condenser mounting bolts.
Remove the two condenser to radiator mounting bolts.
NOTE: The bolt retaining the condenser to the radiator end tank is a special length and should be the ONLY bolt used upon reinstallation. The use of a longer bolt will damage the radiator end tank.

Separate the condenser from the radiator by lifting out of the lower mounting tabs.
Disconnect and remove the coolant sensor. (RPO UB7 only).

Remove the two A/C condenser seals (1).
Lift the condenser up and remove from the vehicle.
Was this
answer
helpful?
Yes
No
+4
Monday, March 22nd, 2021 AT 2:25 PM

Please login or register to post a reply.