Saturday, July 15th, 2023 AT 11:41 AM
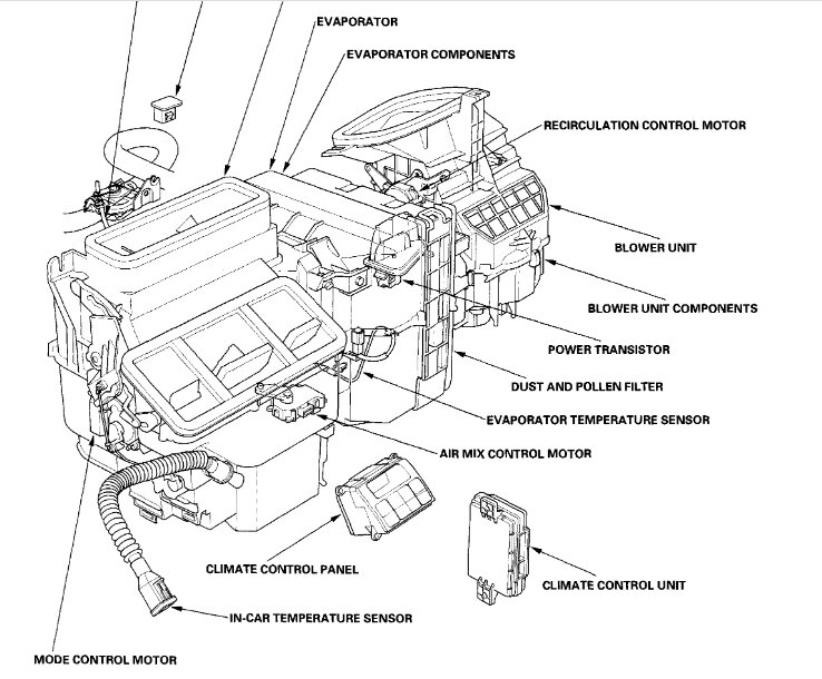
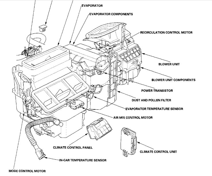
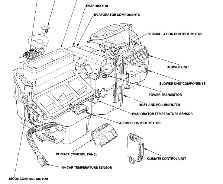
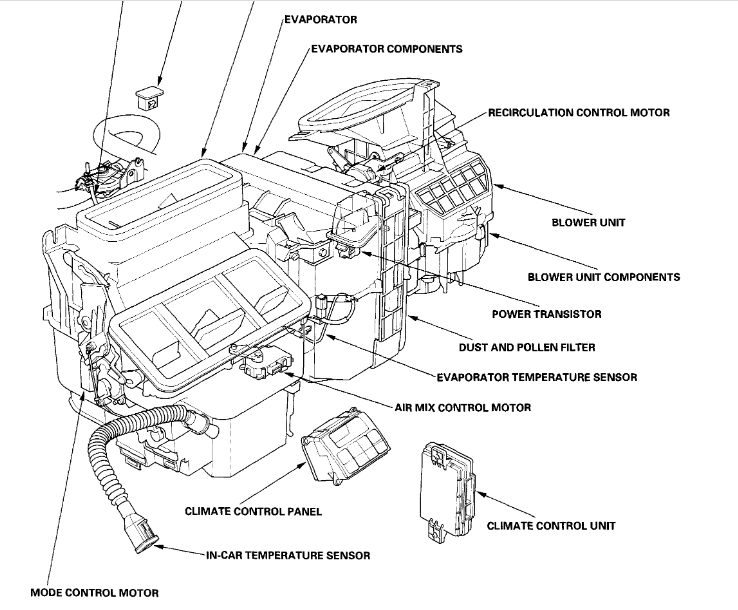
The temperature will more will stay a consistent warm feeling from about 60 to 80ish before the A/C switches over into the heating setting. I hear a faint pop or knock behind the dash and I'm thinking it could be the driver side blend door actuator but I'm not entirely sure. The heat temperature on both driver and passenger side are the same. The rear a/c can blow hot and cold just fine.






