Volvo coils

Tiny
IAN929
  • MEMBER
  • 2002 VOLVO S60
  • 5 CYL
  • 96 MILES
I have an 02 Volvo s60 that keeps burning the #2 coil I have taken it to the mechanic n they can't fine the problem I replace them and the car runs good but after a few days it burns again
Wednesday, January 19th, 2011 AT 1:44 AM

6 Replies

Tiny
JIS001
  • MECHANIC
  • 3,412 POSTS
Are you using coils from Volvo or aftermarket? If aftermarket they could have a bad batch? Try a different brand or to be safe just install one from the dealer. Also how are the spark plugs? Is the spark plug secured tight or is it cracked that after it ignites on the exhaust stroke, the hot exhaust is escaping out and burning the coil up?
Was this
answer
helpful?
Yes
No
Wednesday, January 19th, 2011 AT 3:02 AM
Tiny
IAN929
  • MEMBER
  • 4 POSTS
I try both I also check and change the plugs with the ones from the dealer but it's burns after a few days I change the coil about 4 times
Was this
answer
helpful?
Yes
No
Wednesday, January 19th, 2011 AT 4:18 AM
Tiny
JIS001
  • MECHANIC
  • 3,412 POSTS
Can you post a picture of the coil to see where it is burning?
Was this
answer
helpful?
Yes
No
Wednesday, January 19th, 2011 AT 3:44 PM
Tiny
IAN929
  • MEMBER
  • 4 POSTS
It only burns the top where al of the electric stuff is at I don't no what is call but I been trying to post a pic but it dose not let me post one sorry and tnks.
Was this
answer
helpful?
Yes
No
Sunday, January 23rd, 2011 AT 12:22 AM
Tiny
IAN929
  • MEMBER
  • 4 POSTS
No I can't post a pic but what burns is the top of the coil I think is call the transistors but I'm not sure
Was this
answer
helpful?
Yes
No
Sunday, January 23rd, 2011 AT 1:17 AM
Tiny
JIS001
  • MECHANIC
  • 3,412 POSTS
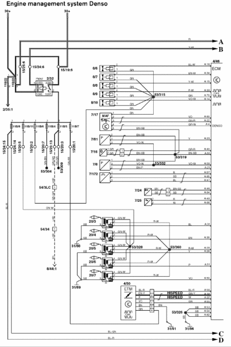
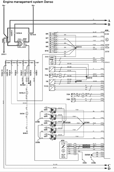
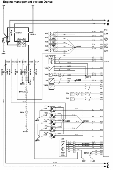
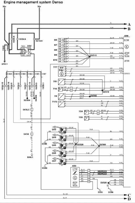
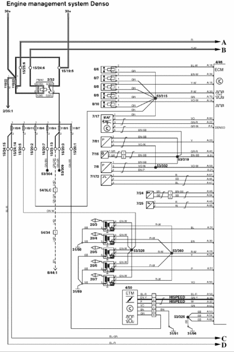
Disconnect the coil and check how much battery voltage you are getting to the coil at pin #4. Check pin #1 the control signal for a short to ground. Check fuse #11 in engine compartment and make sure proper fuse is installed. Should be a 20A fuse. Remove the grey connector at the fuse box and inspect pin #5 for burnt marks indicating that is the wire getting hot? You may need to remove the ECM as well and inspect for terminals on both the connector and the ecm for any burnt marks indicating it is getting too hot from too much current? Attaching wiring diagram. This is assuming you have a none turbo engine since you did not specify? You may need to take it in to the dealership for proper diagnosis if you do not see anything unusual?
Was this
answer
helpful?
Yes
No
Friday, January 28th, 2011 AT 6:00 AM

Please login or register to post a reply.

Related Ignition Coil Replace/Remove Content