2002 Toyota Sequoia Rear hatch / window/ wiper

Tiny
STIXNBRIX
  • MEMBER
  • 2002 TOYOTA SEQUOIA
  • 4.7L
  • V8
  • 4WD
  • AUTOMATIC
  • 147,000 MILES
This has been going on (rear window wiper battle) since we bought the car 6 years ago and I have no idea of what is wrong. This past weekend I installed a new latch for the rear hatch and everything went well. And the hatch now closes and opens as it has since we bought the car. The problem I have now and have had in the past is that the rear electric window will not go up or down and the wiper does not work. SOO while I was working on the rear hatch / latch and had all of the plastic trim off I messed with the window. Now understand that the wiper was NOT in the park position (and would not move with the dash board switch) but the window went up and down with the key in the rear lock as well as the switch on the dash. "But the wiper was not in park and the window did not care" So I went on about my business and finished the rear latch and putting everything back together. So when I was all done I tried the window again and it would not move (There is plenty of clearance between the window and the plastic / weather stripping so it is not jammed) But when I tried the wiper switch on the dashboard the wiper went to park? So now after the wiper is in park, and will NOT move again ( and the window will not work. So what I know is that the motor for the window is fine, the weather stripping is not holding the window from moving, the wiper motor works and can be controlled from the dash but Nothing works again. I also checked the wires when I had the plastic trim off and everything seems ok The window and wiper are not in love any more? This is just a mess and I am corn fused?
Help please.
Tuesday, January 6th, 2015 AT 1:20 PM

1 Reply

Tiny
HMAC300
  • MECHANIC
  • 48,601 POSTS
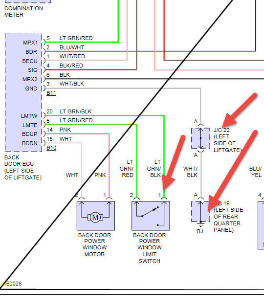
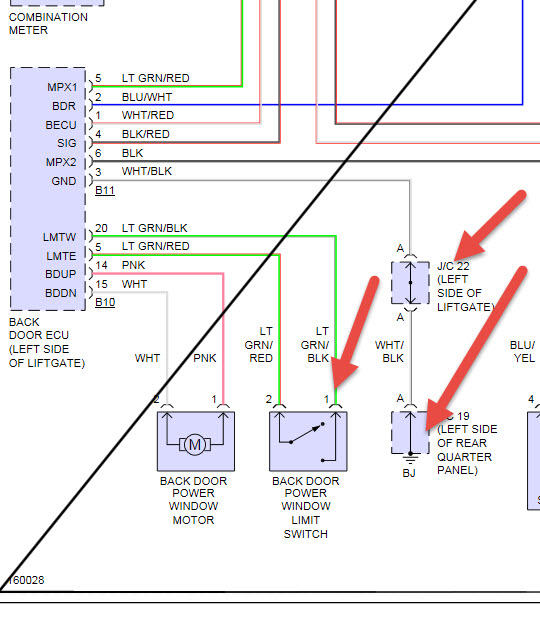
Check power 1fuse in dash then check items i've pointed out in pic specifically the ground and limit switch to see if power goes through or not. I f you can try jumping limit switch with gate up and see if window works, if not it may have to be scanned as the ecu for that may be bad.
Was this
answer
helpful?
Yes
No
+1
Tuesday, January 6th, 2015 AT 1:41 PM

Please login or register to post a reply.