Car is smoking and running rough?

Tiny
KENNITH199
  • MEMBER
  • 2002 TOYOTA AVALON
  • 6 CYL
  • FWD
  • AUTOMATIC
  • 30,000 MILES
Car is smoking and running rough?
Monday, February 9th, 2015 AT 7:11 PM

2 Replies

Tiny
HMAC300
  • MECHANIC
  • 48,601 POSTS
Scan for codes and check fuel pressure with a gauge first.
Was this
answer
helpful?
Yes
No
Tuesday, February 10th, 2015 AT 6:02 AM
Tiny
KEN L
  • MASTER CERTIFIED MECHANIC
  • 55,488 POSTS
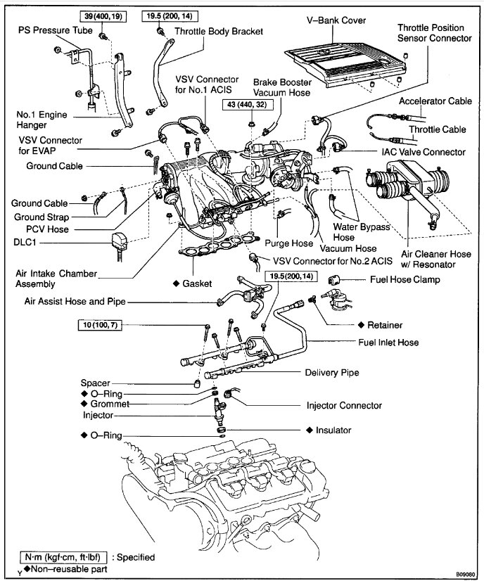
This happens when a fuel injector sticks open, I would remove the spark plugs and look for the cylinder that looks different than the others (wet-black) this will be the cylinder that needs the new fuel injector. here is how to change them out. I would install new spark plugs as well.

Recommended Spark Plugs
DENSO .................... SK20R11
NGK .................... IFR6A11

https://www.2carpros.com/articles/how-to-change-spark-plugs

Please replace the fuel filter as well. Check out the images (below). Please let us know what happens.
Was this
answer
helpful?
Yes
No
Saturday, July 6th, 2024 AT 6:40 PM

Please login or register to post a reply.