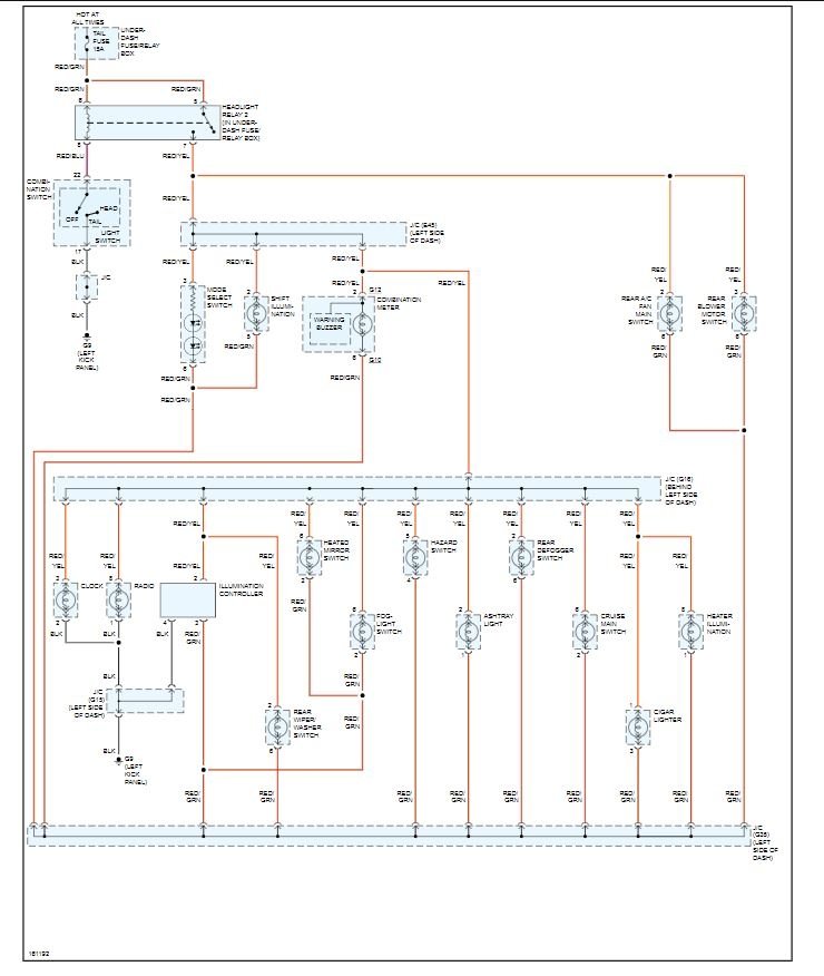
Thursday, January 12th, 2012 AT 4:55 PM
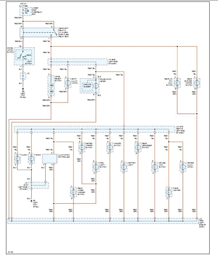
I have no dashboard or parking lights. The fuse is not bad. I had it checked. All other lights work and the car drives fine. I have tried to use the dimmer to brighten the lights but they do not come on. They do not come on when you turn on the headlights either. Any ideas.



