Lack of power, limp mode, solenoid valve

Tiny
SUZUKI07
  • MEMBER
  • 2002 SUZUKI VITARA
  • 56,000 MILES
I have a Grand Vitara RHZ HDI 2.0. Every time I go over 100 km/hour the check engine comes up, the truck looses power. I have to stop shut off the engine for couple of minutes. When I restart the vehicle the check engine still light up, but the truck operate fine unless like I said go over a 100 km. I solve the problem by eliminating the catalytic converter. They seems to get obstructed after while, if in your country you had to have it, replace with a new one.
I was getting codes poor TPS, solenoid valves, glow plug, and so on. I hope this can help a lot of people.
Thursday, December 1st, 2011 AT 6:49 PM

20 Replies

Tiny
RIVERMIKERAT
  • MECHANIC
  • 6,110 POSTS
Great addition to this site! Please feel free to help out whenever you are here. :)

This guide can help as well:

https://www.2carpros.com/articles/engine-has-low-power-output

Cheers
Was this
answer
helpful?
Yes
No
+1
Thursday, December 1st, 2011 AT 7:18 PM
Tiny
HMAC300
  • MECHANIC
  • 48,601 POSTS
If you have replaced the valves then the only option is to check to see if the connections are good or a wire is broken someplace, like a bad ground wire. If it has been doing this for five years something is causing it. You output speed sensor could be causing the problem or a wire leading to it. As it does't happen until you get to 100kmthe sensor may be getting warm and have to many ohms so it heats up and does this. You could also have a bad ground for the pcm or a bad ground to speed sensor at rear of engine.
Was this
answer
helpful?
Yes
No
Thursday, August 9th, 2018 AT 6:50 PM (Merged)
Tiny
SUZUKI07
  • MEMBER
  • 19 POSTS
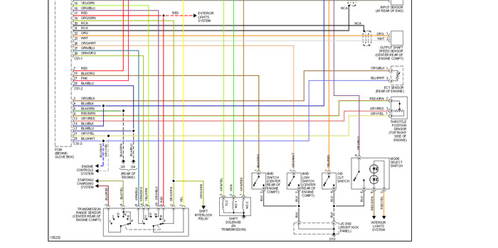
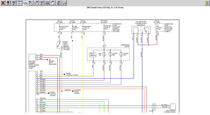
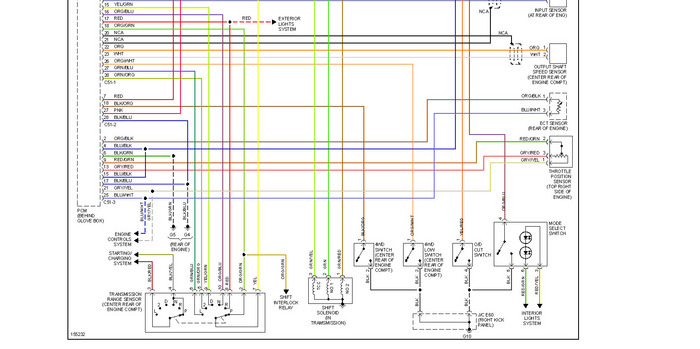
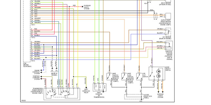
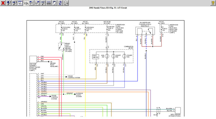
Hi, do you have the electrical map for this truck so I can check all the wiring, sometimes even when starting the march for example, accelerating on a green light, the check engine lights up.
Was this
answer
helpful?
Yes
No
Thursday, August 9th, 2018 AT 6:50 PM (Merged)
Tiny
HMAC300
  • MECHANIC
  • 48,601 POSTS
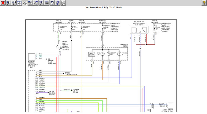
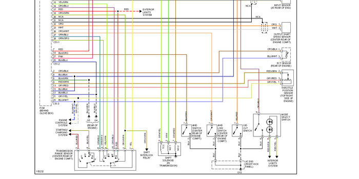
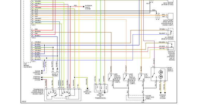
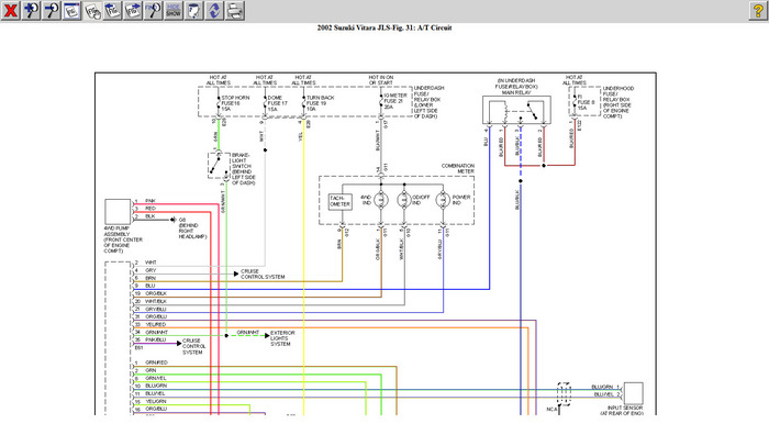
I'm sending it in 2 pieces. You may have a wire connected poorly orgrounding out like i've said before. You should really have this scanneds o you can get a specific code so we can help yo a little more. To enlargemore put documents to pictures then enlarge from there.
Was this
answer
helpful?
Yes
No
+1
Thursday, August 9th, 2018 AT 6:50 PM (Merged)
Tiny
SUZUKI07
  • MEMBER
  • 19 POSTS
Hi the code is P0246.
Was this
answer
helpful?
Yes
No
Thursday, August 9th, 2018 AT 6:50 PM (Merged)
Tiny
HMAC300
  • MECHANIC
  • 48,601 POSTS
I'm sorry we have no listing for the diesel engine powered vitara so ican't offer any other assistance on this. The diagram I sent was for a gas engine. One other thing to check is to see if your thrttle pressure adjustment is correct on the trans as that may have something to do with it. But I also would check output speed sensor for correct range ohms/volts, which I do not have aavailable as to the specs for that. Again i'm sorrry
Was this
answer
helpful?
Yes
No
-1
Thursday, August 9th, 2018 AT 6:50 PM (Merged)
Tiny
LINDAMORGAN
  • MEMBER
  • 1 POST
  • 2002 SUZUKI VITARA
Shakes or Wobbles problem
2002 Suzuki Vitara Four Wheel Drive Manual 80000 miles

When I drive my car to work (about an hour to get there) first part of the journey ok, but then the car starts coughing and spluttering. Eventually I end up in lowest gear with my foot half on the clutch just to get to my destination. Car has been to the garage but they cant find what's wrong with it? Would love to hear any suggestions!
Was this
answer
helpful?
Yes
No
Thursday, August 9th, 2018 AT 6:50 PM (Merged)
Tiny
DAVE H
  • MECHANIC
  • 13,384 POSTS
Check/replace crankshaft sensor. Have the vehicle tuned/serviced
Was this
answer
helpful?
Yes
No
+1
Thursday, August 9th, 2018 AT 6:50 PM (Merged)
Tiny
SUZUKI07
  • MEMBER
  • 19 POSTS
Finally after all this year a friend of mind found the solution, the problem consist that the catalyc converter blocked up, obstructed, after 20,000 kms, he took it out, made hole on the catalyc converter to take out the elements, and no more problems, I didn´t know that diesel engines had a catalyc converter, this is the problem, thanks god, cause I love this vehicule.
Was this
answer
helpful?
Yes
No
-1
Thursday, August 9th, 2018 AT 6:50 PM (Merged)
Tiny
RIVERMIKERAT
  • MECHANIC
  • 6,110 POSTS
Glad to hear you found a fix. Closing thread.
Was this
answer
helpful?
Yes
No
Thursday, August 9th, 2018 AT 6:50 PM (Merged)
Tiny
GUYINFLORIDA
  • MEMBER
  • 1 POST
  • 2002 SUZUKI VITARA
  • 6 CYL
  • 4WD
  • AUTOMATIC
  • 78,000 MILES
When driving the car, before I get to the top of an on ramp, it feels like the car stutters a couple of times. This also happens occasionally while sitting at a red light. The engine sounds normal, no loss of power, no check engine light, not over heating, etc.
Also, sometimes I notice white smoke from the exhaust pipe when I start the car. Doesn't happen all the time, very random
Was this
answer
helpful?
Yes
No
-1
Thursday, August 9th, 2018 AT 6:50 PM (Merged)
Tiny
DAVE H
  • MECHANIC
  • 13,384 POSTS
Clean the fuel system
Was this
answer
helpful?
Yes
No
Thursday, August 9th, 2018 AT 6:50 PM (Merged)
Tiny
TONY1972
  • MEMBER
  • 1 POST
  • 2001 SUZUKI VITARA
Engine Performance problem
2001 Suzuki Vitara Two Wheel Drive Manual 65000 miles

my car won`t accelerate faster when I change gears, if is up the hill it will lose power and go slower and slower until I have to change to a lower gear and drive very slow please help
Was this
answer
helpful?
Yes
No
Thursday, August 9th, 2018 AT 6:50 PM (Merged)
Tiny
DAVE H
  • MECHANIC
  • 13,384 POSTS
Start by having the vehicle serviced including fuel filter replaced
Was this
answer
helpful?
Yes
No
-1
Thursday, August 9th, 2018 AT 6:50 PM (Merged)
Tiny
ROB0000
  • MEMBER
  • 1 POST
  • 2001 SUZUKI VITARA
2001 Suzuki Vitara 6 cyl 150000 miles

engine is dipping down on tick over v6 auto seems to have lost some power as well has any 1 got any ideas pls

slight misfire on a cylinder but replaced ign coil with new one

new diognostics cant find anything

engine management light still comes on and stays on
Was this
answer
helpful?
Yes
No
Thursday, August 9th, 2018 AT 6:50 PM (Merged)
Tiny
DAVE H
  • MECHANIC
  • 13,384 POSTS
Replace plugs and wires and clean injectors
Was this
answer
helpful?
Yes
No
Thursday, August 9th, 2018 AT 6:50 PM (Merged)
Tiny
MAURKAD
  • MEMBER
  • 1 POST
  • 2000 SUZUKI VITARA
  • 4 CYL
  • 4WD
  • AUTOMATIC
  • 21,000 MILES
My Vitara alll of a sudden gives a thump when reverse or drive is selected. I have to wait until rev drops before selecting gear.

When driving the car loses power for second, the radio chips out for a second. At night the lights switch off for a second also.

In Jamaica we have been using 90 octane with 10% ethonal.
Was this
answer
helpful?
Yes
No
Thursday, August 9th, 2018 AT 6:50 PM (Merged)
Tiny
DAVE H
  • MECHANIC
  • 13,384 POSTS
Have the vehcile checked for electrical transmsiion faults
Was this
answer
helpful?
Yes
No
Thursday, August 9th, 2018 AT 6:50 PM (Merged)
Tiny
CRICRI0312
  • MEMBER
  • 1 POST
  • 1998 SUZUKI VITARA
  • 133,000 MILES
My car does not pull.
When you press the accelerator, a dark heavy smoke comes out of the exaust.
Was this
answer
helpful?
Yes
No
Thursday, August 9th, 2018 AT 6:50 PM (Merged)
Tiny
ASEMASTER6371
  • MECHANIC
  • 52,796 POSTS
Have the cat converter checked for being clogged.

Roy
Was this
answer
helpful?
Yes
No
Thursday, August 9th, 2018 AT 6:50 PM (Merged)

Please login or register to post a reply.