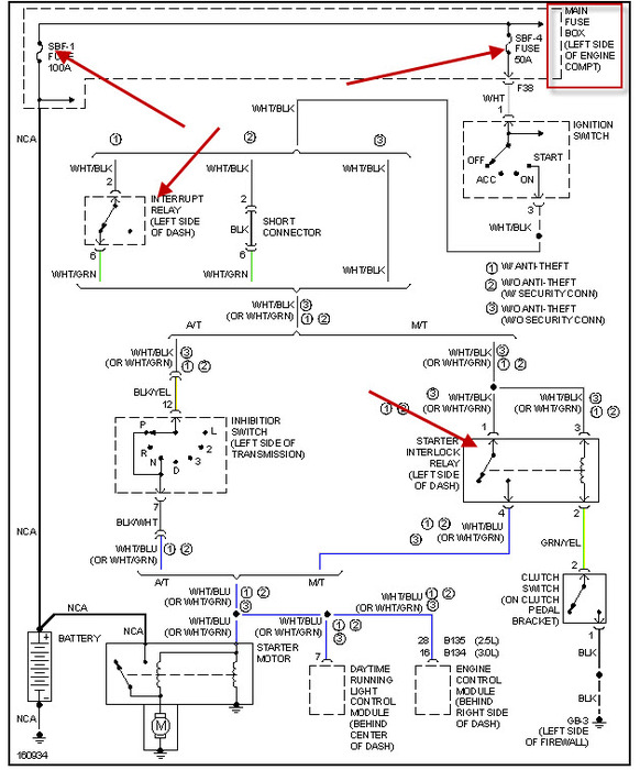
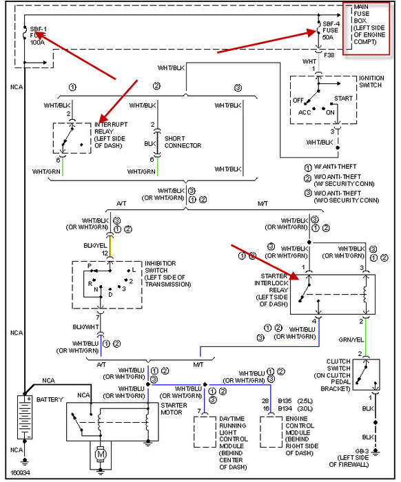
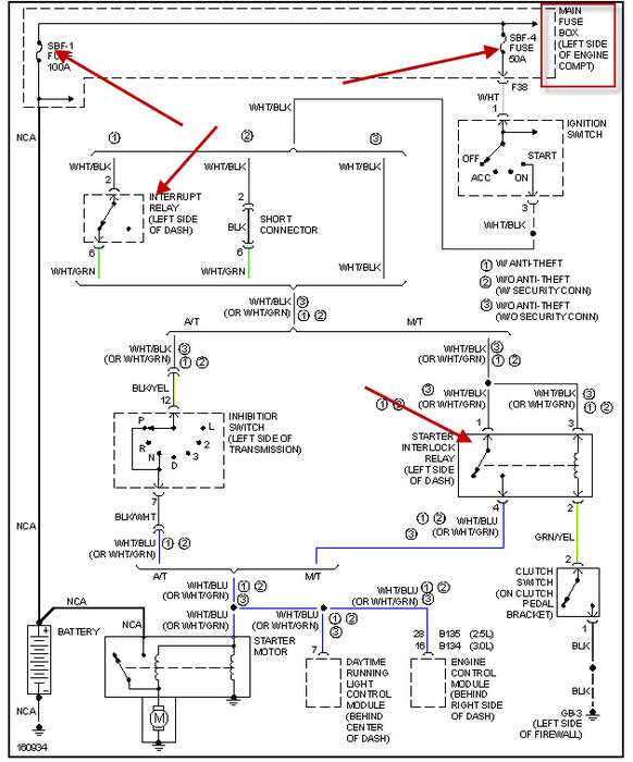
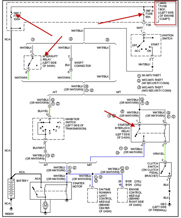
{She was driving great after issues with passing emissions; check engine light came on after about 1,000 or so miles and then she died as I stopped at intersection and hasn't wanted to come on since.} Three weeks of frustration with just sitting in driveway. We even rented the tester from our local parts service and no codes showed!
HELP! Thanks, Sandi
Tuesday, May 15th, 2012 AT 8:12 PM

