Headlight wiring diagrams?

Tiny
JABBIE
  • MEMBER
  • 2002 SUBARU FORESTER
  • 60,000 MILES
As in the question all 4 parking lights will not go off even with key removed
Wednesday, October 5th, 2011 AT 8:10 PM

6 Replies

Tiny
DRCRANKNWRENCH
  • MECHANIC
  • 3,380 POSTS
You may have a relay that is failed, the light switch has failed or is grounding out making the circuit complete even without switch on, a short in the, "ON" position circuit of the igniton switch or a bad control unit if you have Auto lamps.
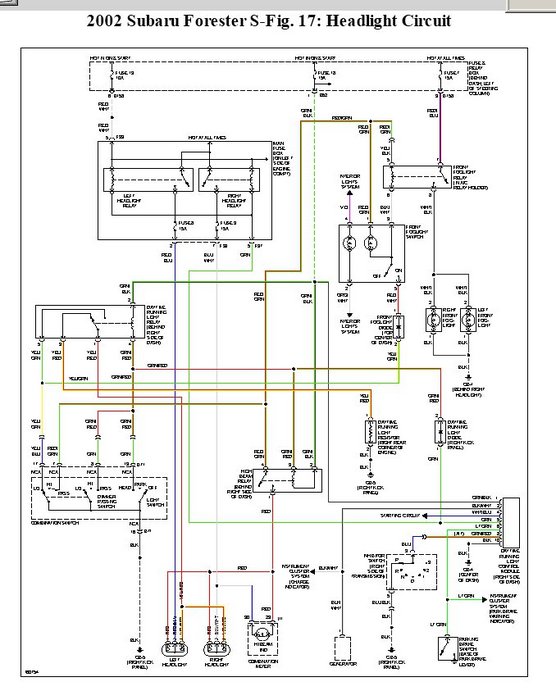
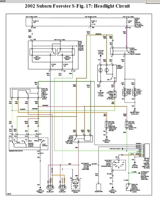
In this post and the next are the wiring diagrams for the exterior light circuits.
Start with the headlight switch in the "OFF" position and see if it is putting out 12 V right out of the terminals of the switch. If it is, it probably is the switch that is bad.
Check in the same manner for each relay. Check out the diagrams (Below). Please let us know what happens.
Was this
answer
helpful?
Yes
No
+1
Wednesday, October 5th, 2011 AT 8:52 PM
Tiny
DRCRANKNWRENCH
  • MECHANIC
  • 3,380 POSTS
Light Diagram Check out the diagrams (Below). Please let us know what happens.
Was this
answer
helpful?
Yes
No
+1
Wednesday, October 5th, 2011 AT 8:53 PM
Tiny
MATTSKY1
  • MEMBER
  • 1 POST
Jabbie: this might have an easy solution. Most subarus have a rocker switch on top of the steering column, purpose is to turn on parking lights w/ ignition off, maybe the switch got turned on by accident.
Was this
answer
helpful?
Yes
No
+6
Saturday, October 8th, 2011 AT 1:43 AM
Tiny
DRCRANKNWRENCH
  • MECHANIC
  • 3,380 POSTS
I did dnot know that myseld. Thanks for the information.
Jabbie; if this is the problem and it works, please let me know so I can help other customers in the future.

Thanks very much.

Dr. C
Was this
answer
helpful?
Yes
No
Saturday, October 8th, 2011 AT 11:53 PM
Tiny
CARPROSJOHN
  • MEMBER
  • 1 POST
To MATTSKY1 thank you so much man. I would have had a dead battery in the morning and being that it is almost 8:30pm my mechanic is not available to call. As soon as I read your post I remembered that happening several years ago and you jarred my memory.
Again, many thanks to you. Stay well. John T.
Was this
answer
helpful?
Yes
No
Tuesday, June 29th, 2021 AT 6:00 PM
Tiny
KEN L
  • MASTER CERTIFIED MECHANIC
  • 54,972 POSTS
Nice work, we are here to help, please use 2CarPros anytime.
Was this
answer
helpful?
Yes
No
Friday, July 2nd, 2021 AT 6:58 PM

Please login or register to post a reply.