Friday, June 27th, 2014 AT 8:16 AM
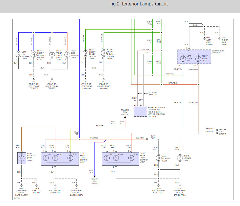
The turn signals on my 2002 Nissan Xterra have stopped blinking. The fuse is OK so I suspect the relay is the problem. Where is the flasher relay located on the 2002 Xterra?





