2002 MAZDA B3000
129,000 MILES
Avatar
ANONYMOUS
  • MEMBER
  • 1 POST
Will not shift from park to drive without turning off, placing into neutral. What is this a symptom of?
Nov 19, 2012 at 3:29 AM
Repair Safety Notice: This information is for general instructional purposes only. Vehicle repair can be dangerous. Verify all information, follow manufacturer service procedures, use proper tools and safety equipment, and consult a qualified repair shop when needed.
Advertisement
Avatar
DRCRANKNWRENCH
  • CAR REPAIR CONTRIBUTOR
  • 3,380 POSTS
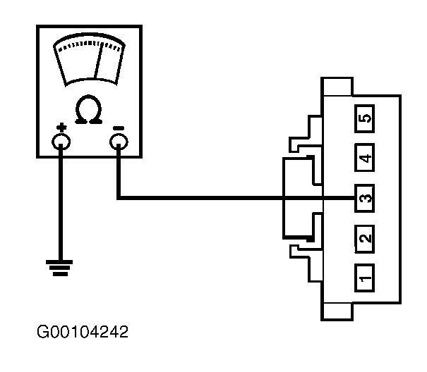
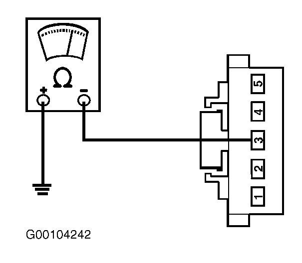
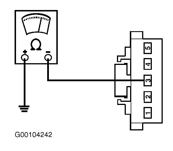
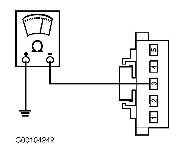
I am attaching diagnostic instructions and repair as well as all referenced figs.There are 3 instructions. The first 2 go together and the 3rd is for removing the interlock switch along with FIG 30 and 31.
Nov 19, 2012 at 6:56 AM
Advertisement