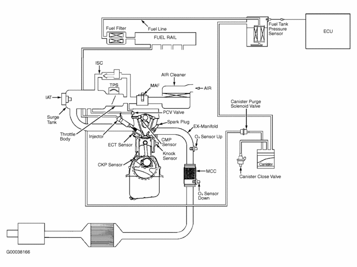
This car at low idle, almost stalls runs with a random misfire, poor intake vacuum. Air box all good. Off idle, runs fine. Compression all good, fuel injectors all good, new plugs, wires, even new intake gaskets. Camshaft timing ok, fuel filter, air filter new, fuel pressure 50 psi.
Check engine light-DTC 1166, P 300 misfire. The o2 sensors are fine.
Help? Not sure what else it could be.
Thursday, May 12th, 2011 AT 3:16 PM


