Saturday, July 27th, 2013 AT 1:10 PM
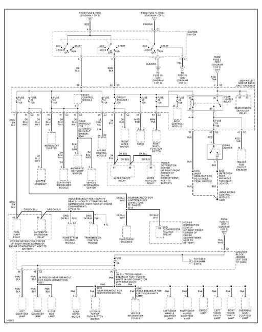
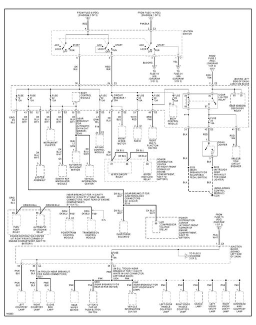
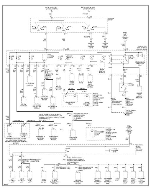
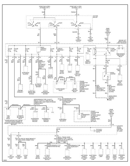
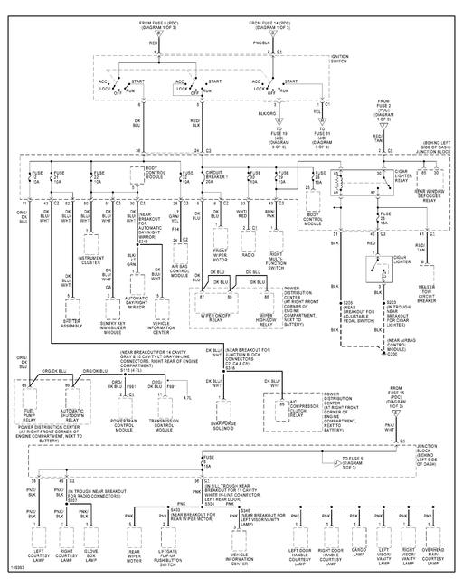
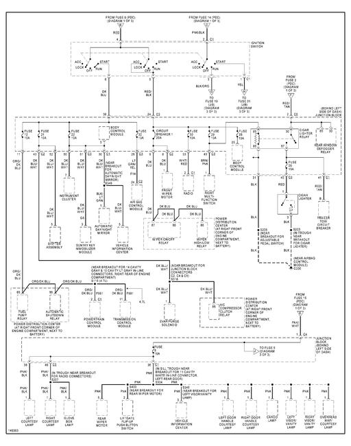
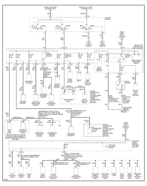
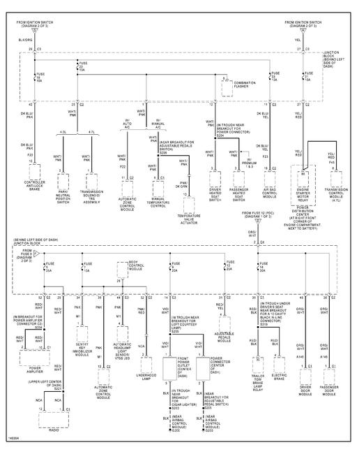
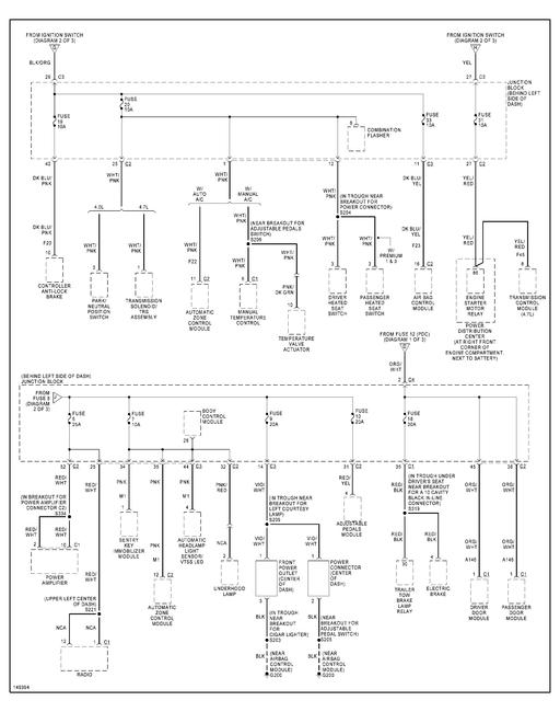
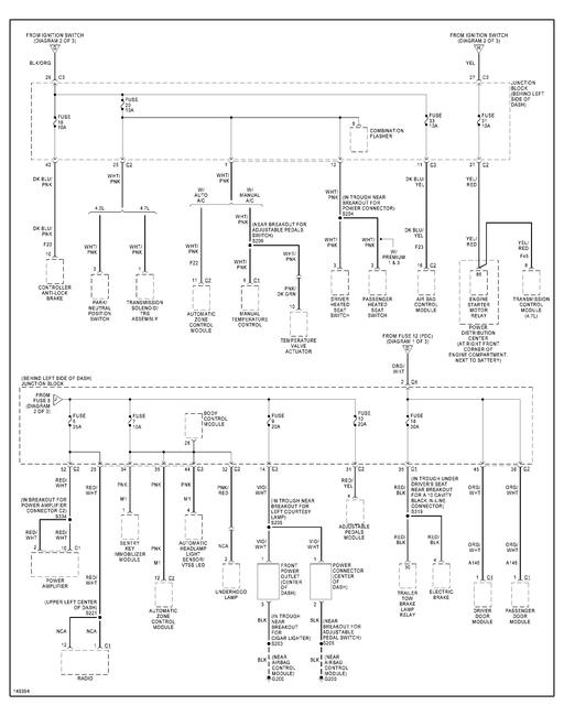
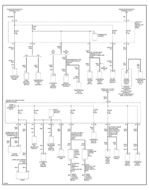
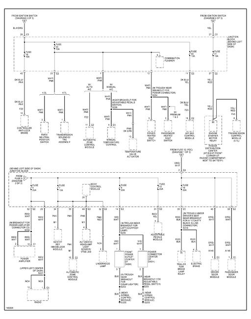
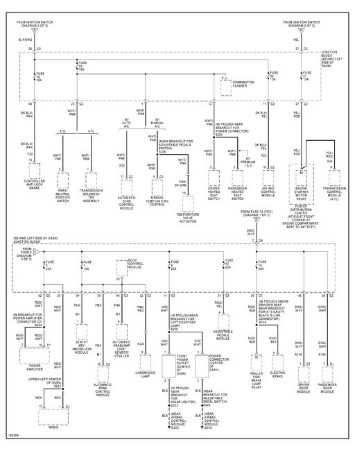
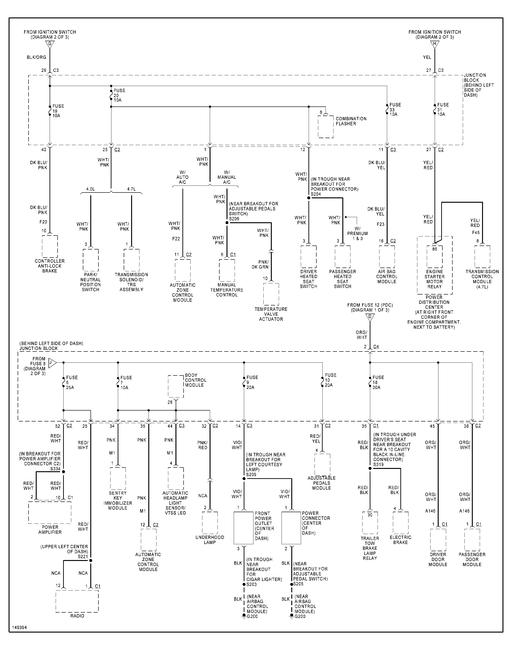
Recently lost power to the c4 junction box slot plug on my fuse box which in turn controls my power windows, door locks, radio, cigarette lighter and rear wiper, I would like to know what fuses supply power to this slot on my fuse box any suggestions or remedies you can give me would be greatly appreciated







