2002 Hyundai Accent no heat

Tiny
STEVE12
  • MEMBER
  • 2002 HYUNDAI ACCENT
  • 1.5L
  • 4 CYL
  • 2WD
  • MANUAL
  • 53,000 MILES
Blower blows cold air no heat thermostat replaced not the cause
where are the hoses in the engine compartment for the heater core
going from the firewall at? Need to see a diagram where the two hose`s
are located.
Saturday, December 14th, 2013 AT 1:45 AM

1 Reply

Tiny
HMAC300
  • MECHANIC
  • 48,601 POSTS
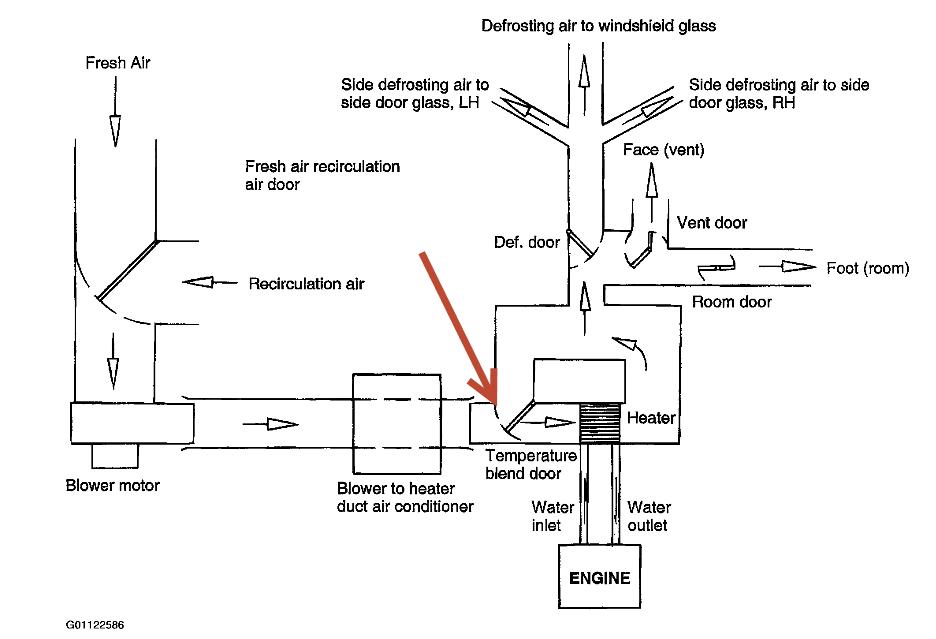
Ther eis acable connected toe the air temp blend door tha tis probably broken. Check that first. We dont' have apicture of hose nor of the cable I am sending a diagram ofhow the air moves though which does show a temp blend door
Was this
answer
helpful?
Yes
No
Saturday, December 14th, 2013 AT 7:25 AM

Please login or register to post a reply.