Thursday, August 9th, 2018 AT 8:54 AM
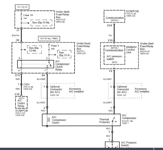
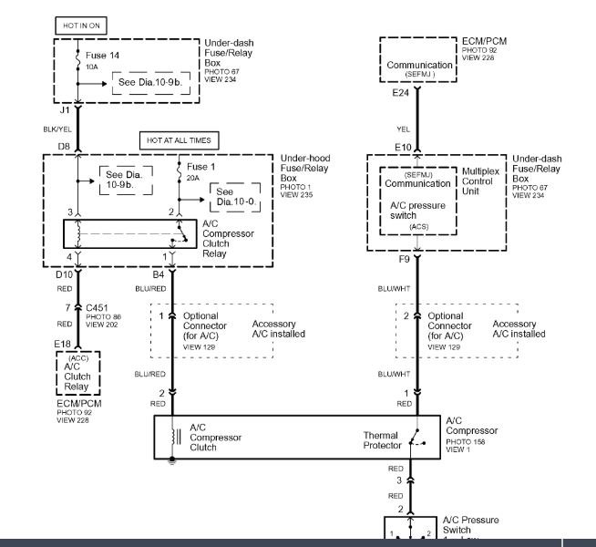
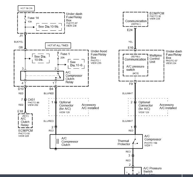
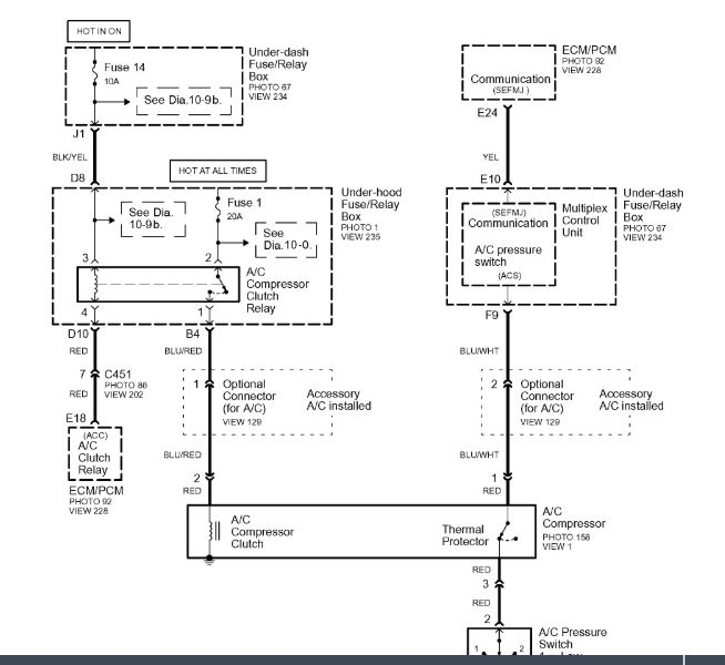
Have a problem with my AC. I have checked everything from the relays to the compressor all seems to work. Fans all seem to work, but when I turn on the AC does not turn on the compressor. I replace the fuse box under the dash, checked all the relays replace the heater control thing and AC button return the AC on rear defroster. Still getting nothing. Looking for ideas what to try next.
