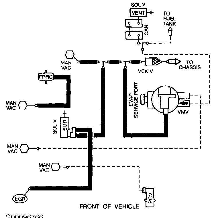
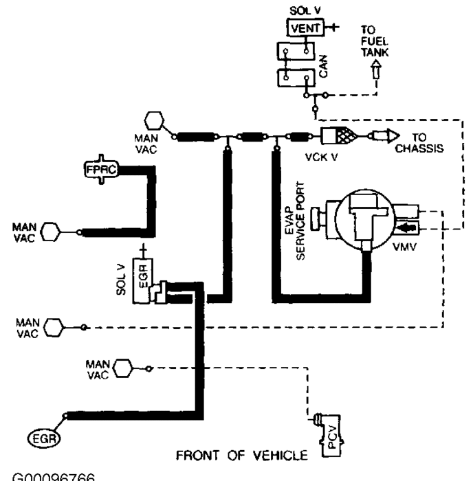
High idle problem. I had it scanned at a friends shop, and he said the IAC was bad and needed replaced. I did so, and the problem still persists. We checked for vacuum leaks and all are good. Even tried changing MAF, EGR, PCV and TPS and cleaned the throttle body. Now I have no codes, but it still idles high when I start it for about ten to twenty seconds, and also when driving when you take your foot off the gas it seems to continue to go for a few seconds. Also, if I unplug the IAC it runs and drives great, does not stall. I did notice that the new IAC has a spring and brass rod in it as the original did not is it possible that I need to get one from the dealer? I thought possibly the replacement IAC was defective so I took it back and exchanged it for another new one. Any help would be great.
Thanks
Thanks
Nov 21, 2012 at 1:11 AM








