2002 Ford Focus charging problems

Tiny
SKIPP930
  • MEMBER
  • 2002 FORD FOCUS
  • 2.0L
  • 6 CYL
  • 2WD
  • AUTOMATIC
  • 100,000 MILES
Changed battery, alternator, charges when first started, 10 mintues later, not charging, battery light on? Not on constantly, on and off, when giving gas goes off, idling up and down?
Wednesday, June 11th, 2014 AT 6:56 PM

1 Reply

Tiny
KASEKENNY
  • MECHANIC
  • 18,907 POSTS
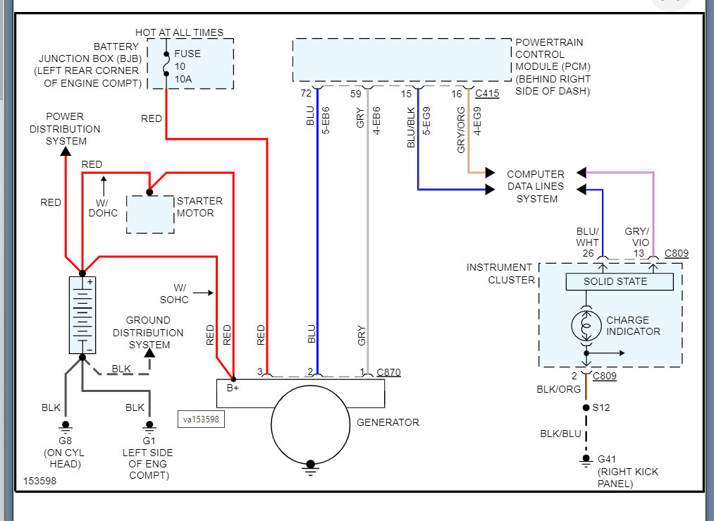
Sounds like you have an issue with heat. So, we need to do two things. First, we need to have the alternator when the vehicle is not charging. So that means you need to drive the vehicle to a parts store or shop that can test this and have them perform the test when it is not charging.

Here are a couple of guides that will help with this:

https://www.2carpros.com/articles/how-to-check-a-car-alternator

https://youtu.be/Z-p4dMJUpUw

Once we know if the alternator is the issue or not, we can move onto the wiring if it is not.

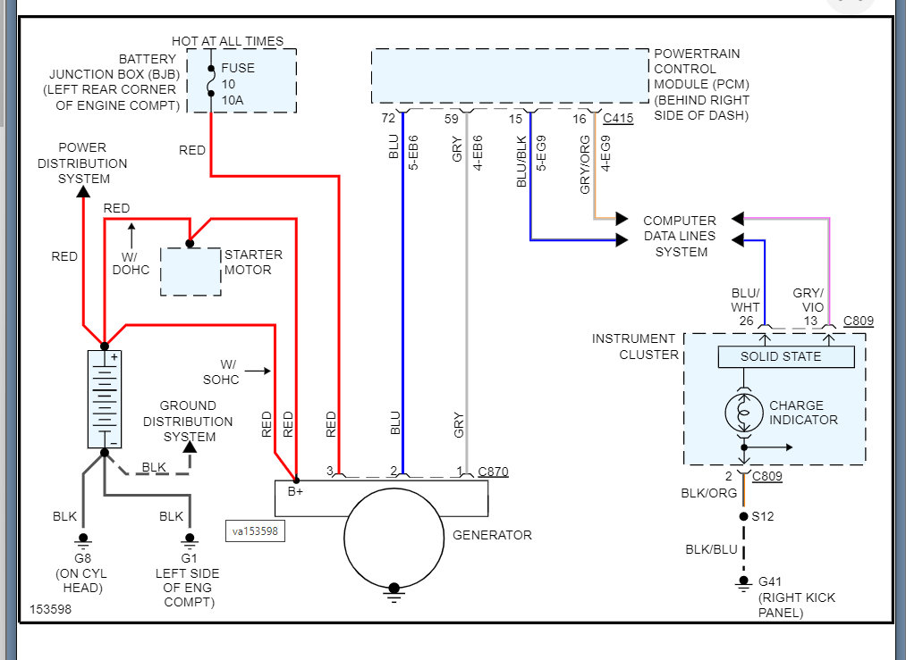
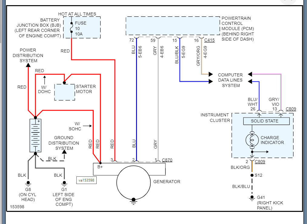
I am attaching the wiring diagram below, but we are going to need to test the voltage at the alternator on each of the wires when it is not charging.

Please run through this info and let me know what you find, and we can go from there.

Thanks
Was this
answer
helpful?
Yes
No
Monday, March 7th, 2022 AT 6:20 PM

Please login or register to post a reply.