Monday, December 17th, 2012 AT 7:17 PM
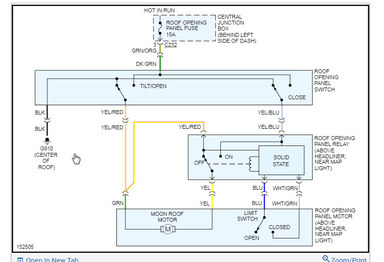
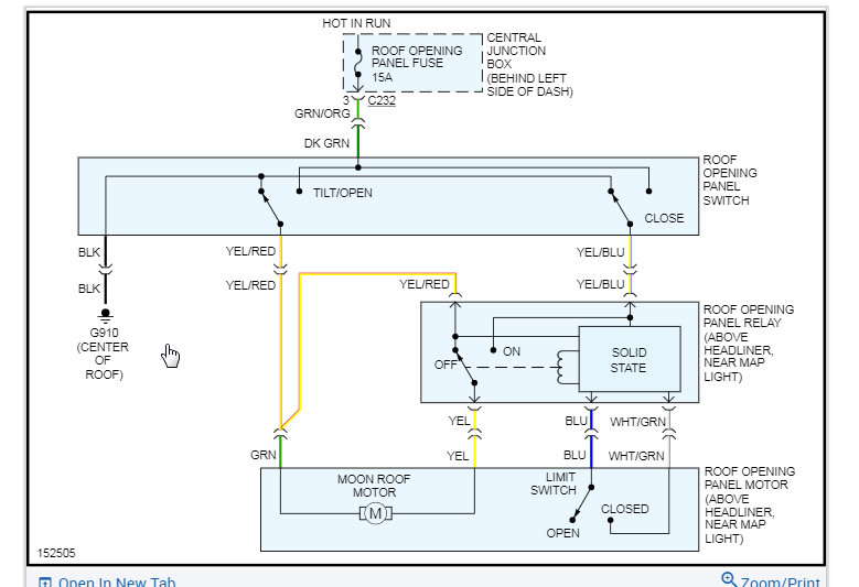
The sunroof on my car listed above ZX2 won't complete close. It will open completely and close, but the back won't "sit" down. It is currently in the tilt position. Any suggestions? I just want it closed. I don't anticipate keeping it much longer and don't want to put a lot of money into fixing it.

