Sunday, December 30th, 2012 AT 3:11 PM
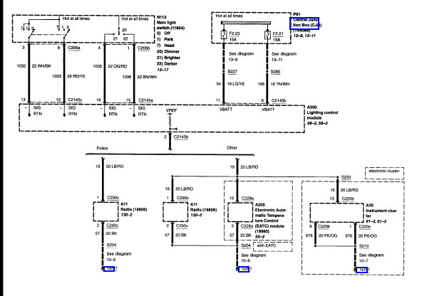
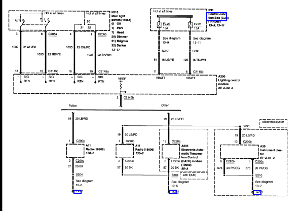
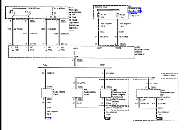
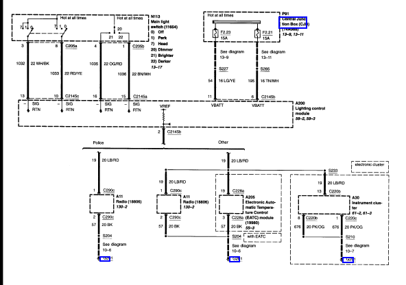
I have a 2002 crown vic interceptor with no dash illumination lights. Yet the back lighting for the heater controls come on and brighten and dim with the switch and the same goes for the lights on the radio. I have checked the circuit board on the cluster for continuity on the illumination circuit and it appears to be fine as well as checked all the bulbs which also checked out ok. I have power on the OG/BK wire 484 (which I thought should be the source to power the illumination to the cluster. I checked the 484 from the lcm to the cluster and it is ok. I even checked it for codes using a scanner and the only b code was for a seat belt I believe it was d/s. I have also checked the power and grounds to the lcm and the cluster. The headlights work as they should on bright and dim.


