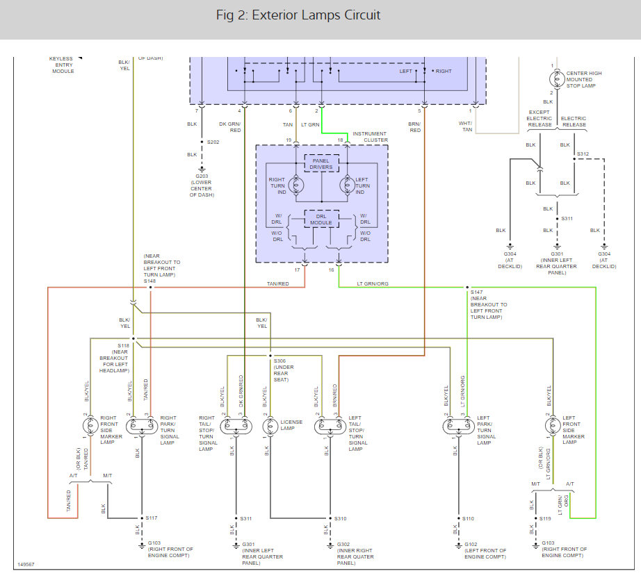
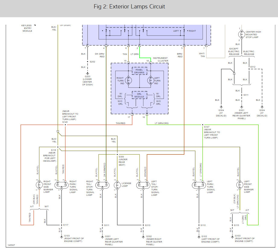
Your tail lamp gets voltage from the headlamp switch. At the rear black wire with yellow tracer, see if there is any voltage on that wire, with the headlamp switch on. Dark green with red tracer is for stop/turn. Black wire is ground.
At the lower rear, your brake lites are wired through the turn switch. The stop and turn use the same bulb filament, just not at the same time, for lower. The high-mount brake lite is wired a little different.
I'd check the voltage and ground circuit at the rear, to start.

Sunday, April 1st, 2018 AT 3:57 PM
(Merged)