How do I remove the radiator in my 2002 Dakota with A/C and auto transmission

Tiny
TINA BAIZE
  • MEMBER
  • 2002 DODGE DAKOTA
  • 132,000 MILES
I'm struggling trying to get the radiator out for replacement. Should I remove the bumper?
Thursday, January 19th, 2012 AT 7:03 PM

4 Replies

Tiny
DOCFIXIT
  • MECHANIC
  • 18,828 POSTS
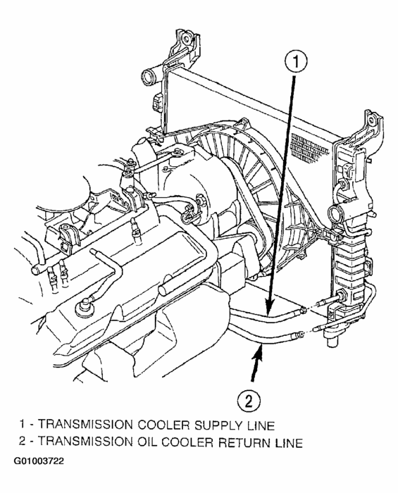
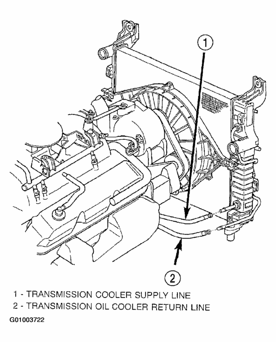
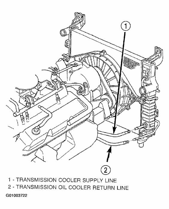
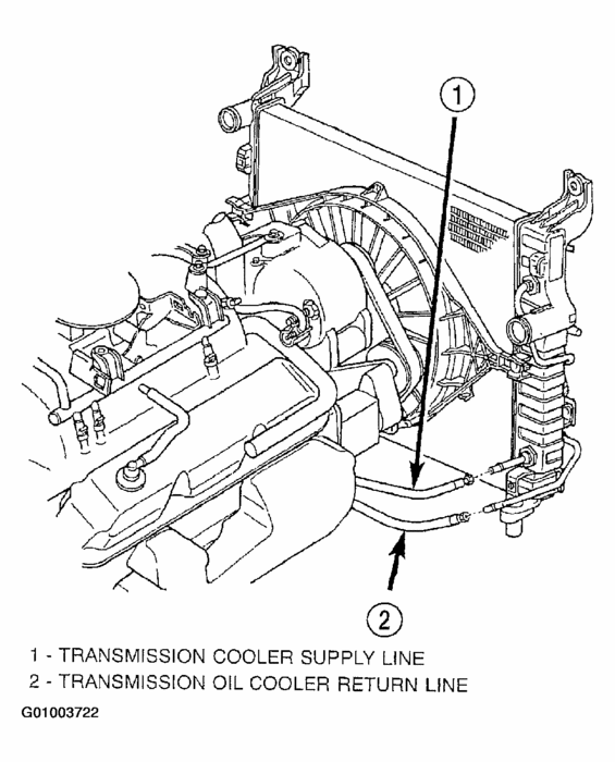
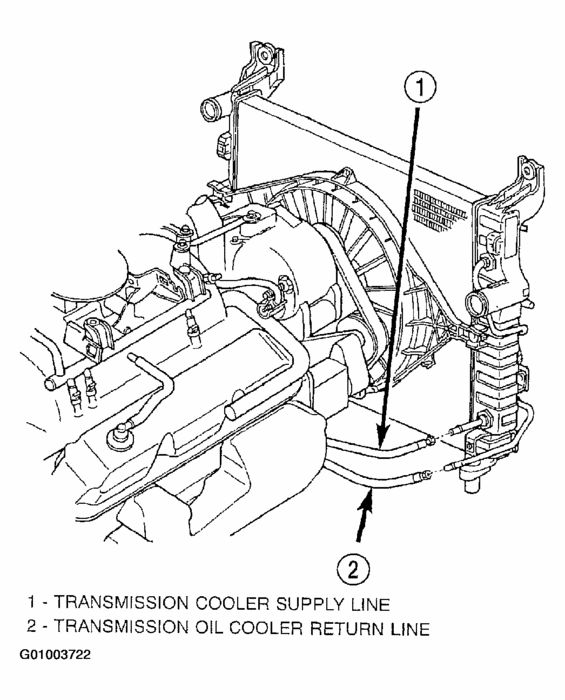
No need to remove bumper remove upper shroud, transmission lines then unbolt radiator
Was this
answer
helpful?
Yes
No
+5
Monday, November 16th, 2020 AT 11:46 AM
Tiny
TINA BAIZE
  • MEMBER
  • 2 POSTS
The diagram makes it look easy. My front bumper isnt allowing the removal of the radiator, a/c cooling unit and oil cooling unit to come out in one piece as shown above. I'm only replacing the radiator so I need to detach the other cooling units to replace the radiator. The reverse V support is in the way on the engine side and the bumper is in the way on the grill side. Frustrating.
Was this
answer
helpful?
Yes
No
+1
Monday, November 16th, 2020 AT 11:46 AM
Tiny
DOCFIXIT
  • MECHANIC
  • 18,828 POSTS
Pulls out and up front not into engine compartment
Was this
answer
helpful?
Yes
No
+2
Monday, November 16th, 2020 AT 11:46 AM
Tiny
WALTERSIDOROW
  • MEMBER
  • 1 POST
Just remove the tie bar on the radiator support and 2 10mm bolts in L/R lower corners and lift up. But if you want to remove the bumper than go ahead. Its easy enough. I do that just so I don't have to lean over it.
Was this
answer
helpful?
Yes
No
+3
Monday, November 16th, 2020 AT 11:46 AM

Please login or register to post a reply.