Tuesday, January 1st, 2013 AT 4:50 PM
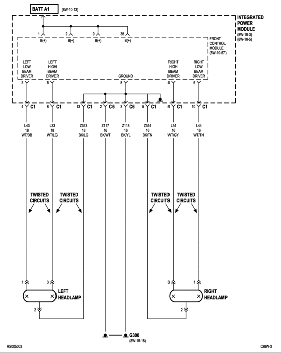
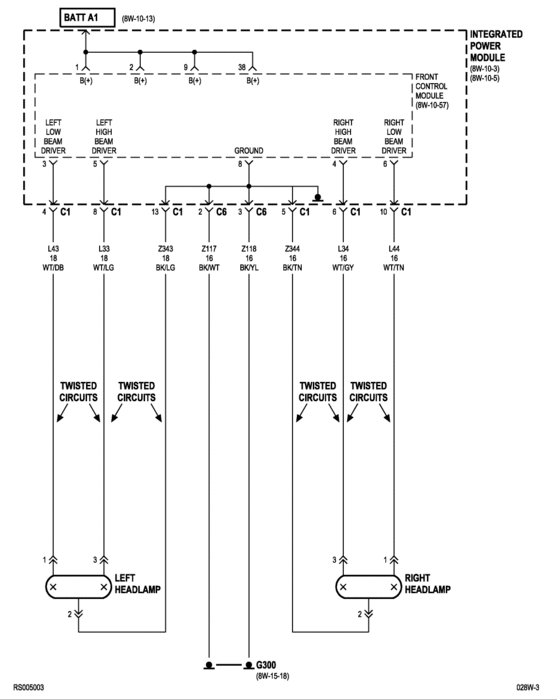
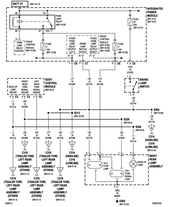
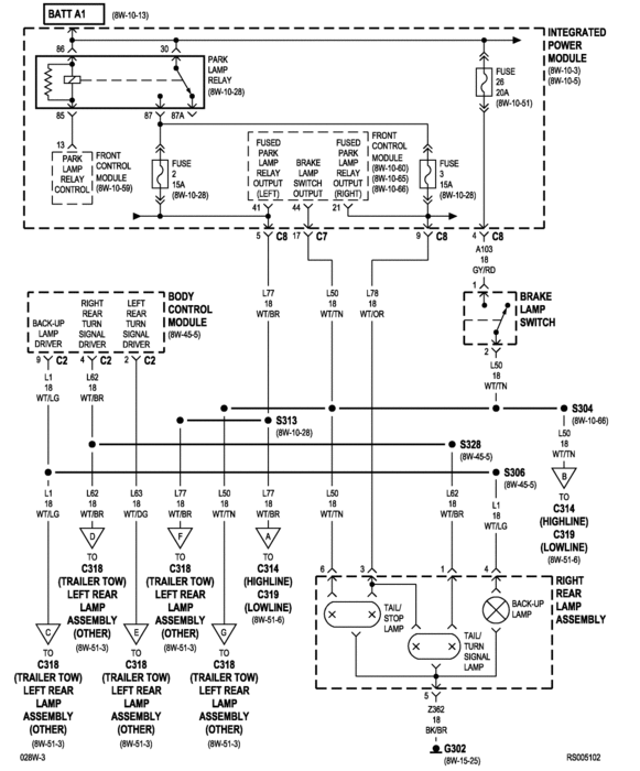
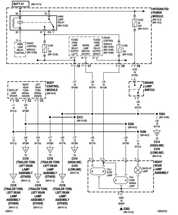
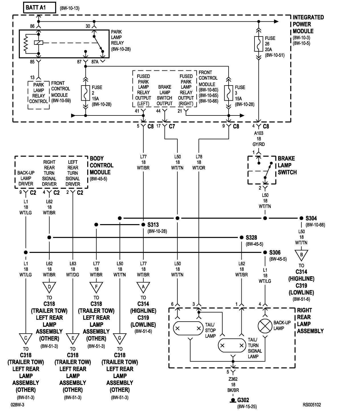
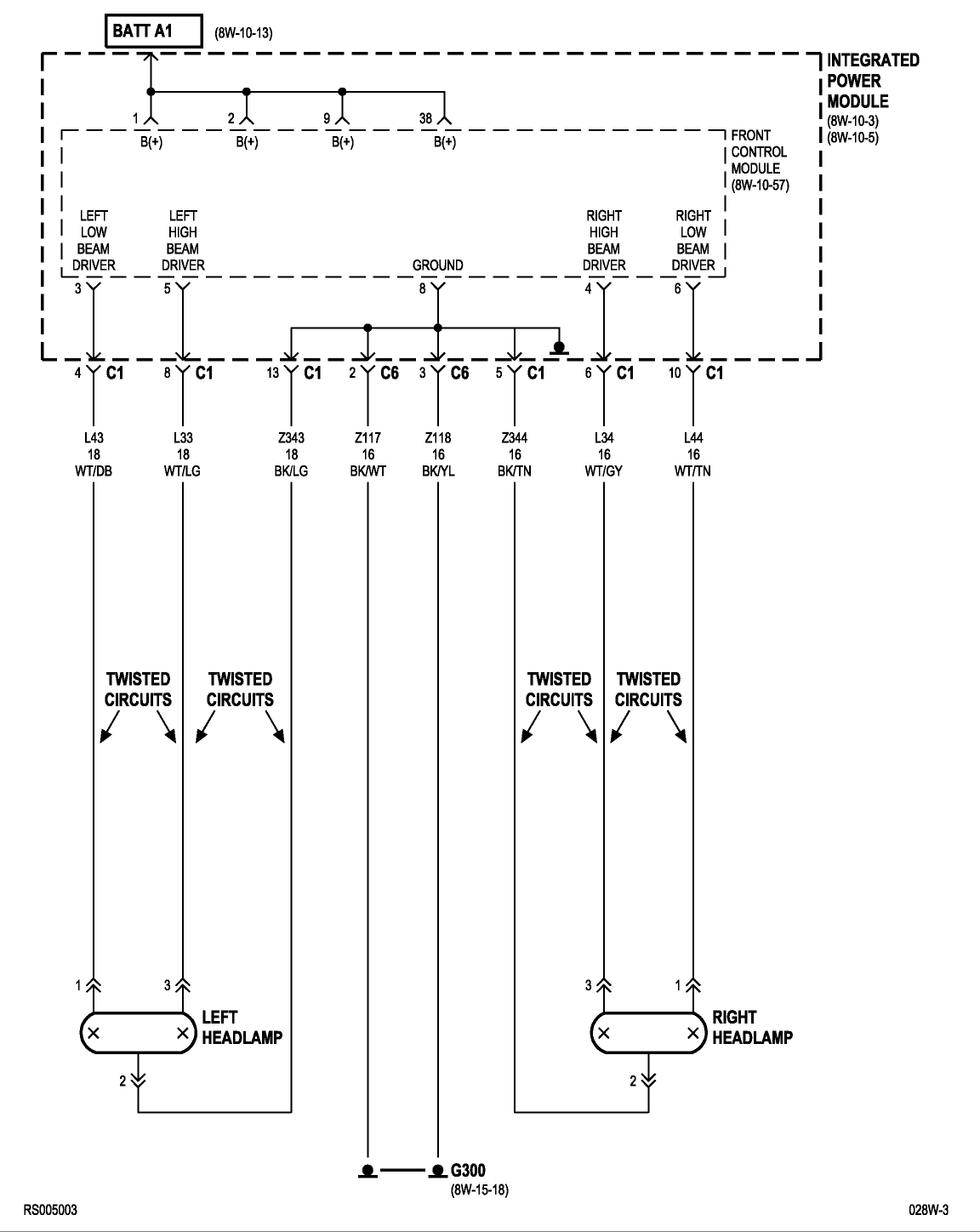
Back running lights not working. Only one front light burning. When you use the high beam switch the front light jumps over to the opposite light. What does the front control module operates and controls?



