Sunday, February 3rd, 2013 AT 9:42 PM
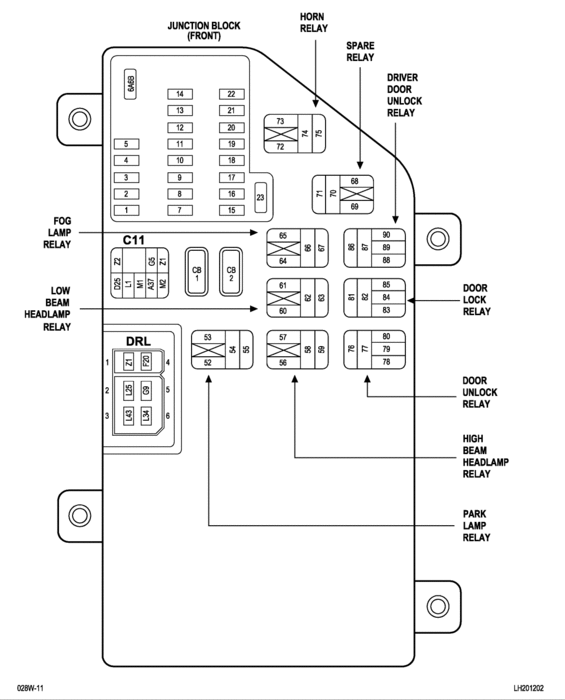
The instrument panel (rpm, speedo, odometer, gas gauge) and the taillights don't work. We pulled the fuse #7 for those items and cleaned the terminal and replaced it with a new 20 amp fuse. Still the same problem.



