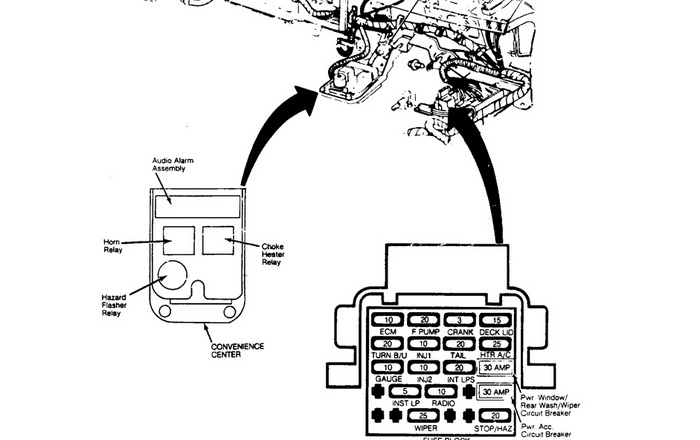
the rear wiper does not turn off. would like to disengage the circuit breaker just to turn it off. would also like to know where the rear wiper switch is located to get it fixed.
Jan 20, 2012 at 10:09 PM

