Friday, December 30th, 2011 AT 8:50 PM
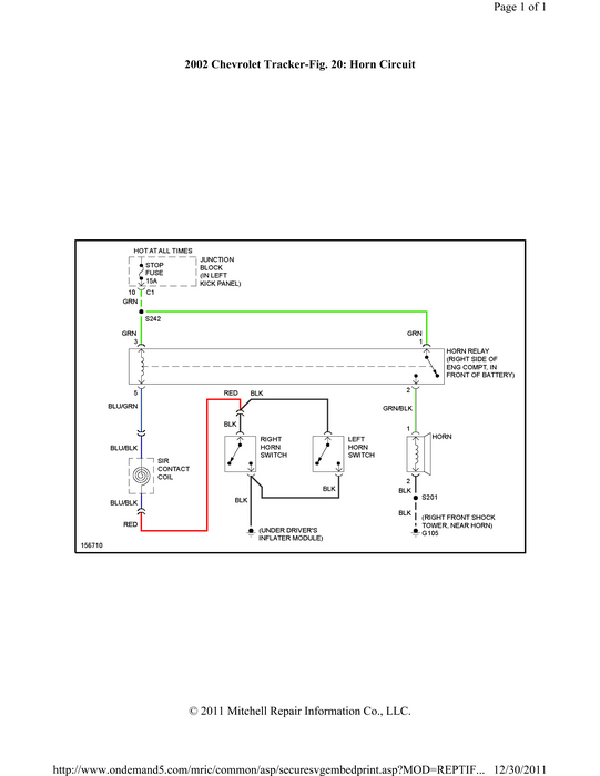
The car started sputtering, then stalled. The horn went off and then the housing for the horn melted off. Any idea what would cause this?


