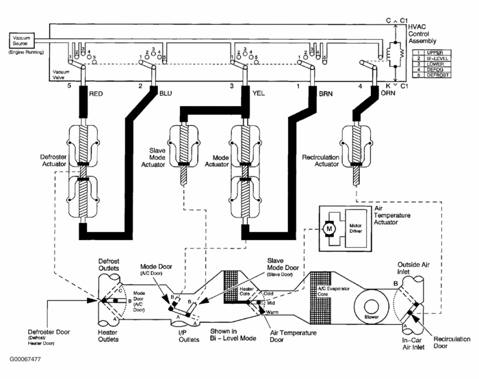
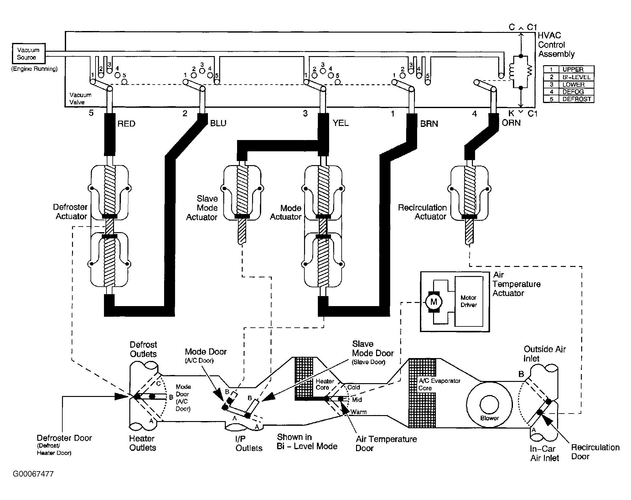
Tuesday, December 14th, 2010 AT 7:08 PM
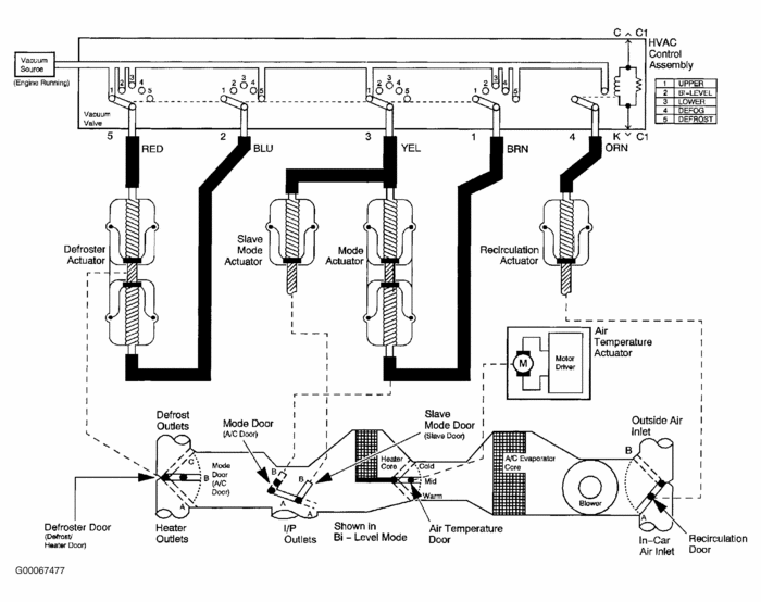
I guess its automatic. The heater will not blow on the floor and defrost. It blows out the front. When you turn the **** it stays the same. What do you think it is?



