Friday, December 9th, 2011 AT 3:35 AM
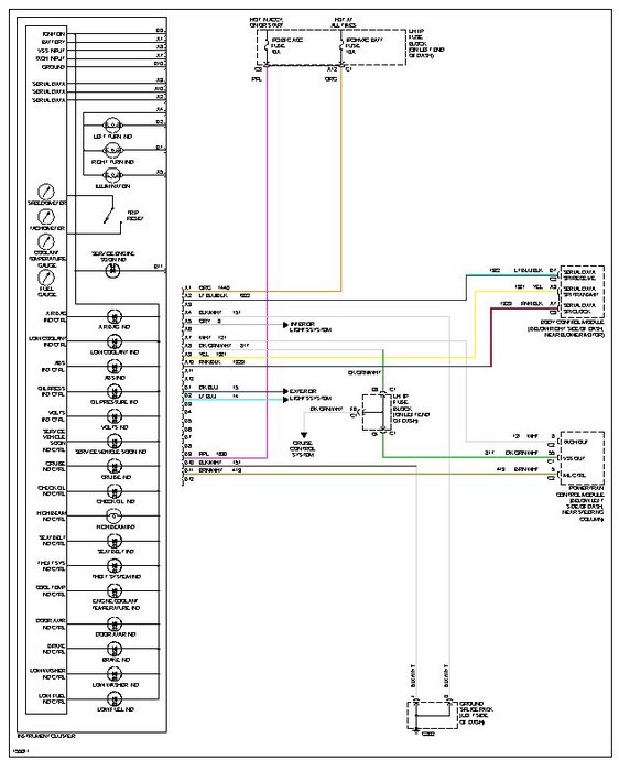
My 2002 malibu will charge for about 5 minutes and then it stops charge and all the gauges stop working put alterator on it new and it is still doing it please help if you can


