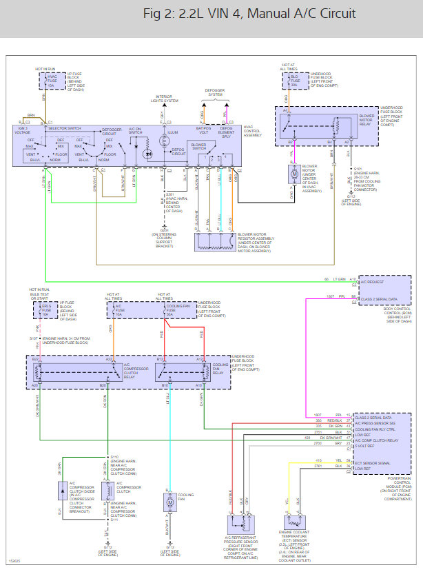
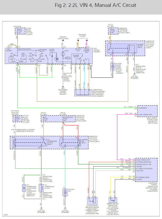
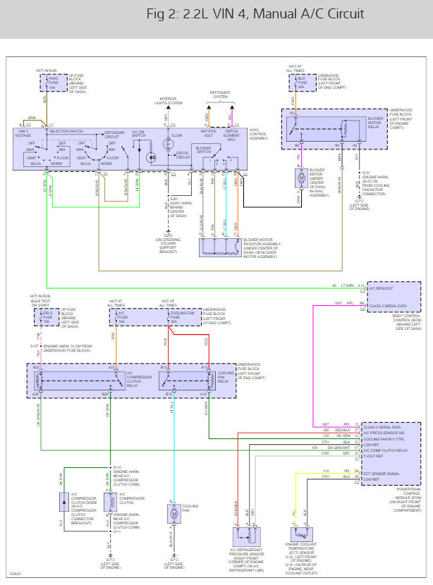
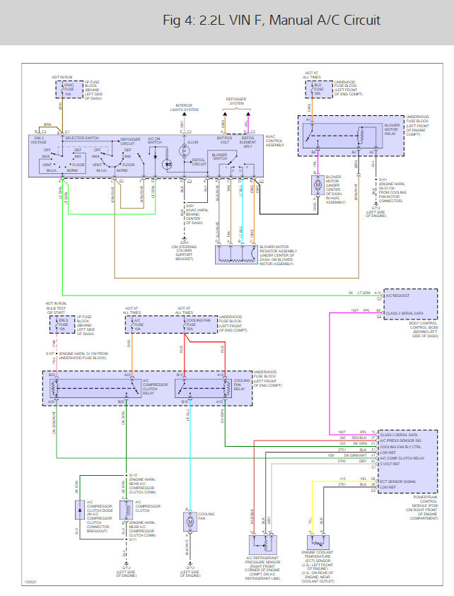
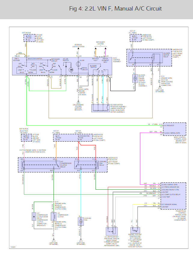
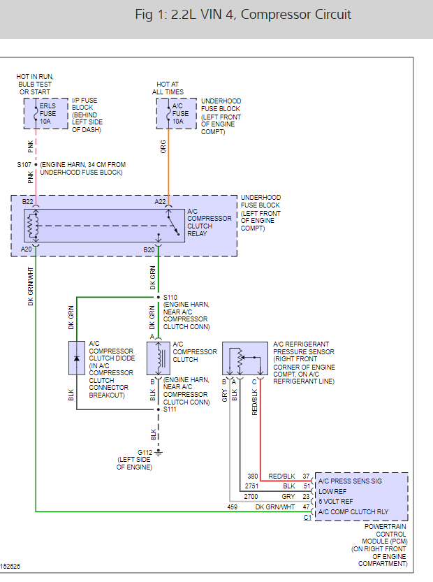
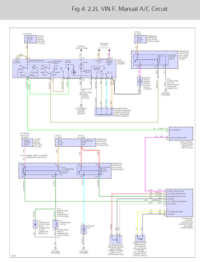
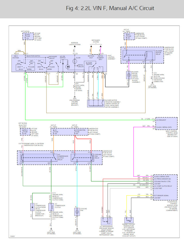
1. Interior / exterior fuses
2. Relay
3. Checked all plugs to make sure they are connected.
4. Replaced the cycling switch(ac pressure switch)
5. Autozone hooked me up and exchanged the compressor for me to see if it would make a difference.
6. I also changed the ac heater control switch in the car.
I evacuated the system and then forced charged it by jumping the relay. Compressor still not working. I was able to jump the compressor. That worked and I was able to charge. I dont know what else it could be. Can it be the PCM?
Sunday, June 3rd, 2012 AT 1:25 AM



