Battery replacement

Tiny
LBHERBST
  • MEMBER
  • 2002 CHEVROLET AVALANCHE
  • V8
How do I remove the battery on the 2002 Chevy avalanche?
Monday, February 21st, 2011 AT 5:09 PM

1 Reply

Tiny
KHLOW2008
  • MECHANIC
  • 41,814 POSTS
BATTERY REPLACEMENT
Removal Procedure
CAUTION: Ensure key is in OFF or LOCK position

Fig. 60: View Of Battery Cables

1. Disconnect the negative battery cable.

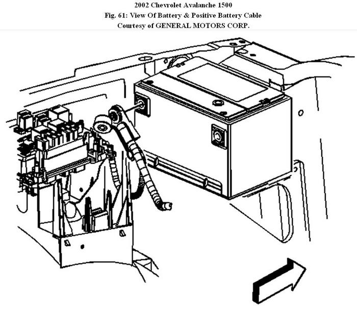
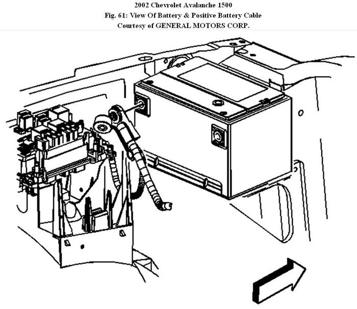
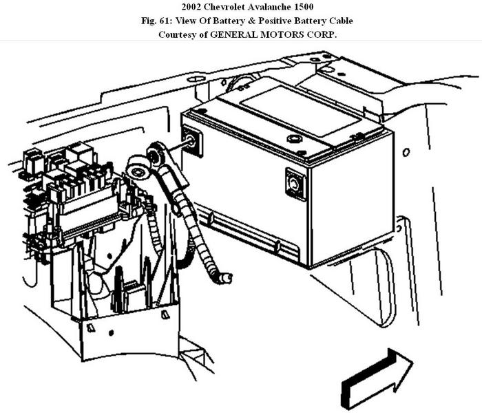
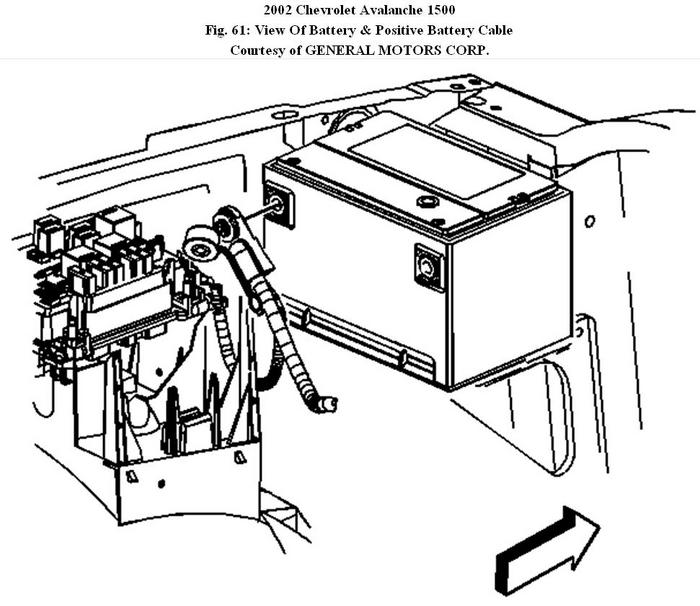
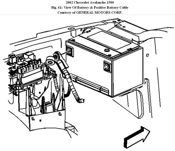
Fig. 61: View Of Battery & Positive Battery Cable

2. Unsnap the positive battery cable cap.

3. Disconnect the positive battery cable.

Fig. 62: View of Front End Diagonal Brace & Bolts

4. Remove the front end diagonal brace bolts and brace.

Fig. 63: View of Battery Hold Down Retainer & Bolt

5. Remove the battery hold down retainer bolt and retainer.

6. Remove the battery.

7. Remove the battery insulator, if necessary.

8. Reverse removal procedure to install.
Was this
answer
helpful?
Yes
No
Monday, February 21st, 2011 AT 5:48 PM

Please login or register to post a reply.