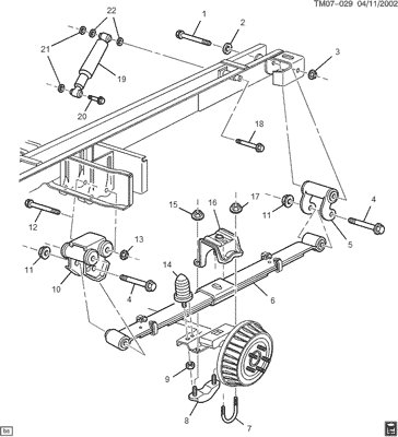
(pic 1)
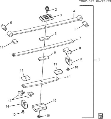
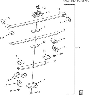
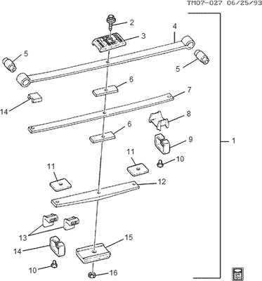
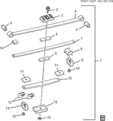
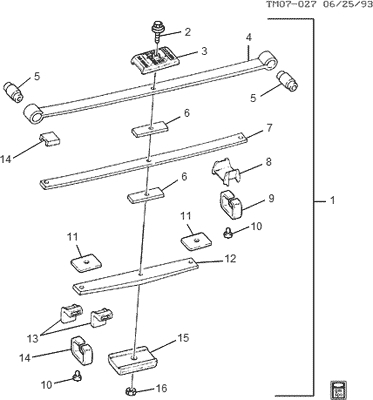
3 INSULATOR RR SPR LEAF
14 CLIP RR SPR # 3 LEAF
6 SPACER RR SPR LEAF CLIP
8 SPACER RR SPR LEAF CLIP
11 INSERT RR SPR LEAF
13 INSULATOR RR SPR LEAF
15 INSULATOR RR SPR LEAF, (LWR)
as well as
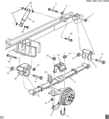
(pic 2)
5 SHACKLE REAR SPRING BUSHING
10 HANGER REAR SPRING BUSHING
14 BUMPER REAR AXLE
PLEASE TELL GM OR UNIVERSAL NUMBER THESE PARTS WHICH WOULD MEET MY VEHICLE
Saturday, May 19th, 2012 AT 1:20 PM




