Problem #1- When turning my wheels all the way to the left my awd disable and anti-lock lights come on. I brought it to Advanced Auto to have it read and it came back with wheel sensor and O2 sensor. Well, they thought O2 sensor was a completely different problem, and the wheel sensor means ieither needed a new wheel sensor or bearing. So I purchased both and replaced it on the right font tire. Well, it didn't fix the problem. So I come to you for advice. I also checked the brakes and brake fluid and rotors and all looks good.
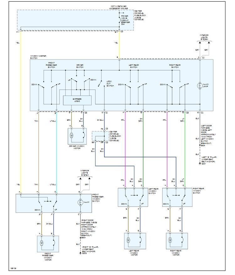
Problem #2- The only power window control that works and rolls the window down is the passenger side. Fuse checked out good. What would the problem maybe be?
Sunday, November 13th, 2011 AT 8:46 PM



