Tuesday, April 8th, 2014 AT 2:11 PM
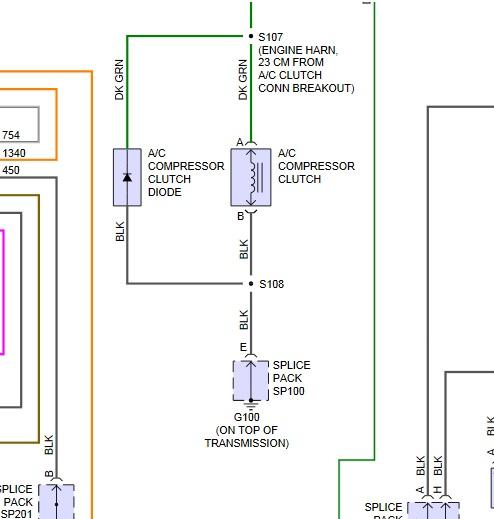
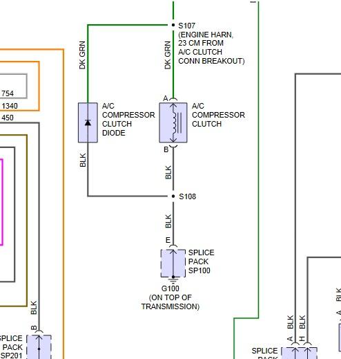
Ok I have tested the wires into the a c clutch. Im getting 12v hot to both wires on plug. I know one needs to be a ground in order for the clutch to operate. The trans was swapped by a shade tree mecanic.I need to know if it is possible if he hooked a ground to the wrong place. System is fully charged event replaced transducer switch. I belive that the clutch cycles with the ground. And the ground is directly supplied by the ecm. Any help would be greatly appreciated.


