Fix a coolant leak

Tiny
LLOYD_LUCE
  • MEMBER
  • 2001 VOLKSWAGEN GTI
  • 130,000 MILES
I have a 2001 VW gti VR6.I had to fix a water leak coming from a pipe that runs right next to the engine. Its a straight pipe with O-rings on each side and a hose connects to it. What is this pipe called I cant find it anywhere.

I need to know the name of the pipe in my question. Really anything will help I cant find it under any radiator hose selections.
Wednesday, February 15th, 2012 AT 3:43 PM

1 Reply

Tiny
HMAC300
  • MECHANIC
  • 48,601 POSTS
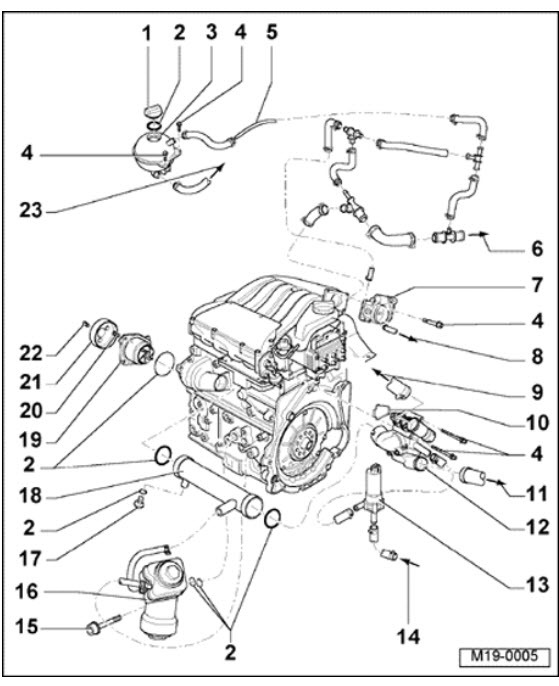
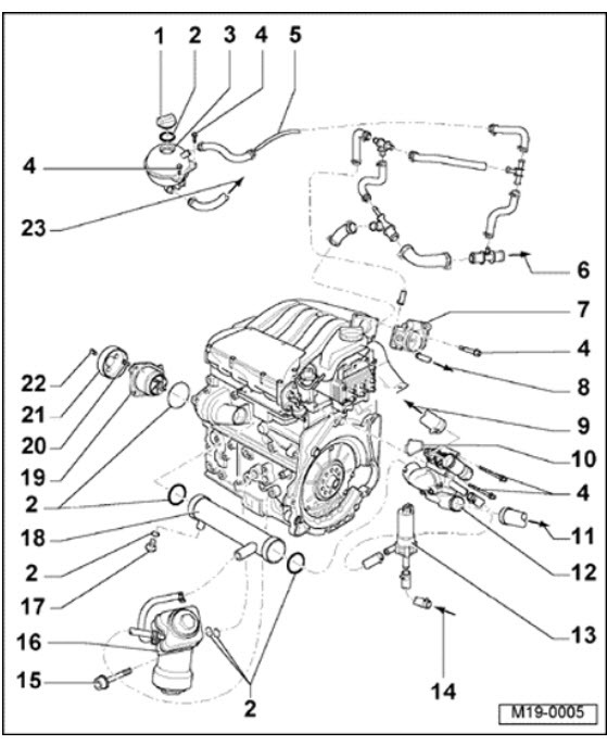
I'm sending a picture hopefully i've found the correct thing you are looking for. List i' m including is for picture
1 Pressure cap

? Check with cooling system tester VAG 1274 and adapter VAG 1274/9
? Test pressure 1.4 1.6 bar

2 Â O Ring

? Replace if damaged

3  Coolant expansion tank

? Check for leaks in cooling system using cooling system tester VAG 1274 and adapter VAG 1274/8

4 Â 10Â Nm

5  Upper coolant pipe

? Clipped into the bulkhead
? Coolant hoses,  connection diagram,  refer to Coolant hoses,  connection diagram

6  To heat exchanger

? Coolant hoses,  connection diagram,  refer to Coolant hoses,  connection diagram

7  Throttle valve control module J338

? Heated by coolant

8  To upper coolant hose

? Coolant hoses,  connection diagram,  refer to Coolant hoses,  connection diagram

9  To upper radiator

? Coolant hoses,  connection diagram,  refer to Coolant hoses,  connection diagram

10 Â Gasket
12  Thermostat housing

? Disassembling and assembling,  refer to Thermostat housing,  disassembling and assembling

13  After run coolant pump V51

? Check,  refer to After Run Coolant pump V51Â,  checking

14  From heat exchanger

? Coolant hoses,  connection diagram,  refer to Coolant hoses,  connection diagram

15 Â 25Â Nm

16  Oil cooler

? Coat contact surfaces outside of sealing ring with sealant AMV 188 001 02
? Make sure free movement among surrounding components
? See Note,  refer to Lubrication system components,  removing and installing

17  Screw plug

18  Coolant pipe

? Coolant hoses,  connection diagram,  refer to Coolant hoses,  connection diagram

19  Coolant pump
Was this
answer
helpful?
Yes
No
Wednesday, February 15th, 2012 AT 8:50 PM

Please login or register to post a reply.