Headlights and interior lights flicker and loses power

Tiny
BOOBALABA
  • MEMBER
  • 2001 TOYOTA CAMRY
  • 6 CYL
  • AUTOMATIC
  • 103,600 MILES
The headlights and interior lights of my 2001 camry started to flicker while driving and sometimes loses the power to the radio, a/c and the lights shut off - the power comes back within few seconds. The flicker is not related to RPM speed - when the RPM's increase, the flickering remains the same - no change. The flickering is only present when the car is running This condition never goes away - doesn't matter if the car has been driven 50 miles - flicker still present.

I've replaced the battery a couple months ago with a Toyota battery from the dealer, but the flickering is still present sometimes - not always. Any help is really appreciated.
Sunday, December 19th, 2010 AT 4:17 PM

2 Replies

Tiny
V MRAUDER
  • MEMBER
  • 1 POST
I have a 2001 Camry V6 and all my lights started flickering and is more pronounced whil driving. I checked the altenator at the advice from a friend and found that the voltage was fluctuating approximately 1.5 volts and increased when I raised the engine rpm. I checked voltage at the alt positive to battery ground. I replaced the alt and still the same. I had Toyota check it for me and was told that the altenator is causing the issue. I will be returning it to Auto Zone for an exchange in the next few days.

I also would like any sound advice
Was this
answer
helpful?
Yes
No
Friday, February 11th, 2011 AT 12:55 AM
Tiny
KEN L
  • MASTER CERTIFIED MECHANIC
  • 55,488 POSTS
Hello,

These voltage fluctuations can usually due to a bad engine to frame ground. Check to make sure there is a ground strap going to the engine from the frame. Also check the battery cables for corrosion which causes high resistance.

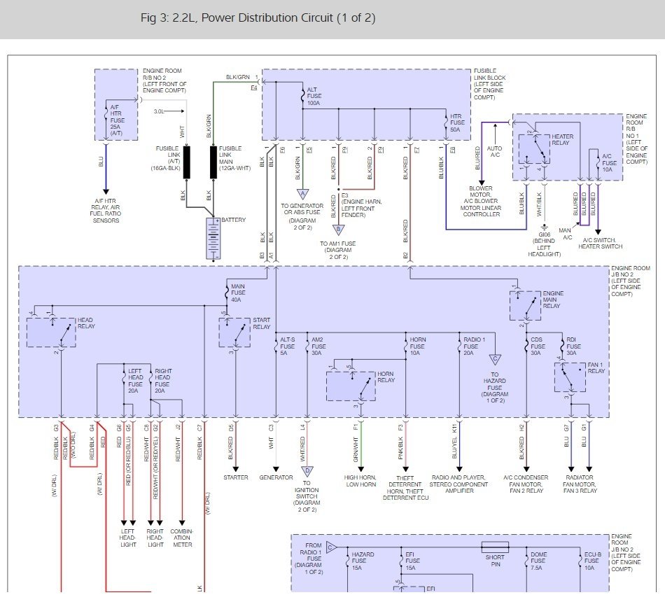
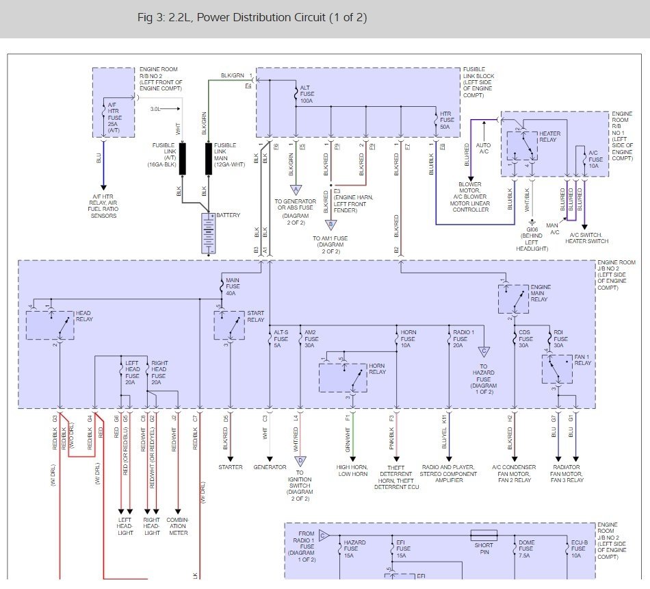
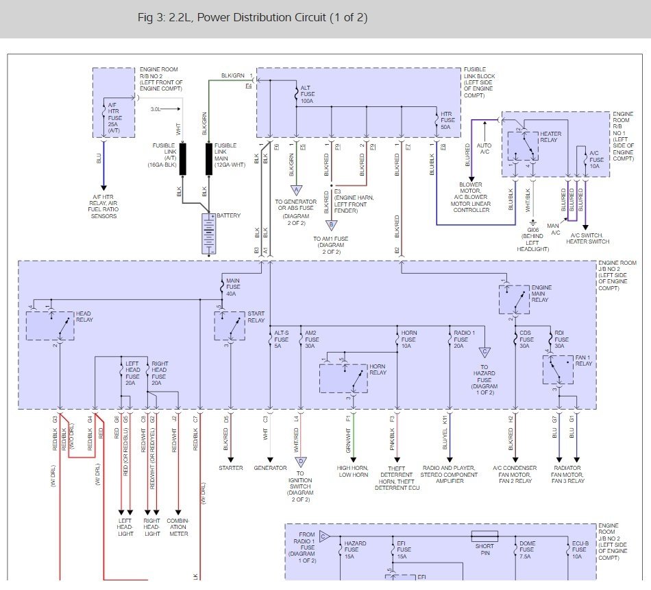
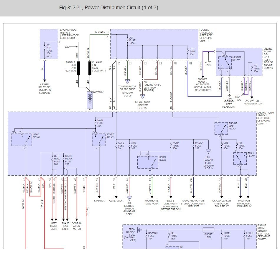
I have found the wiring diagrams for your car so you can run some tests with the help of the guide below.

https://www.2carpros.com/articles/how-to-use-a-test-light-circuit-tester

Please run some tests and get back to us so we can continue helping you.

Cheers, Ken

Was this
answer
helpful?
Yes
No
+3
Friday, June 23rd, 2017 AT 12:29 PM

Please login or register to post a reply.