2001 Sunfire won't shut down

Tiny
LITTLEMISS
  • MEMBER
  • 2001 PONTIAC SUNFIRE
  • 4 CYL
  • AUTOMATIC
  • 230 MILES
2001 sunfire wont shut off have to remove battery post put in new battery & starter & check them again there good no keys needed
when you touch battery posts again car starting help please
Monday, April 4th, 2011 AT 5:28 PM

2 Replies

Tiny
JDL
  • MECHANIC
  • 16,098 POSTS
Is it just cranking or does it actually start? Check the feed to and from ignition switch.
Was this
answer
helpful?
Yes
No
Monday, April 4th, 2011 AT 5:32 PM
Tiny
JDL
  • MECHANIC
  • 16,098 POSTS
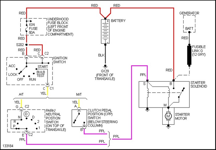
There is an early and late production starter system. I don't know which you have? Either way, the purple wire at the starter solenoid S terminal should not be hot unless key is in the crank position.
Was this
answer
helpful?
Yes
No
Monday, April 4th, 2011 AT 5:38 PM

Please login or register to post a reply.