Sunday, September 9th, 2012 AT 2:16 AM
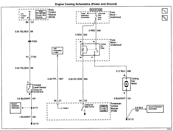
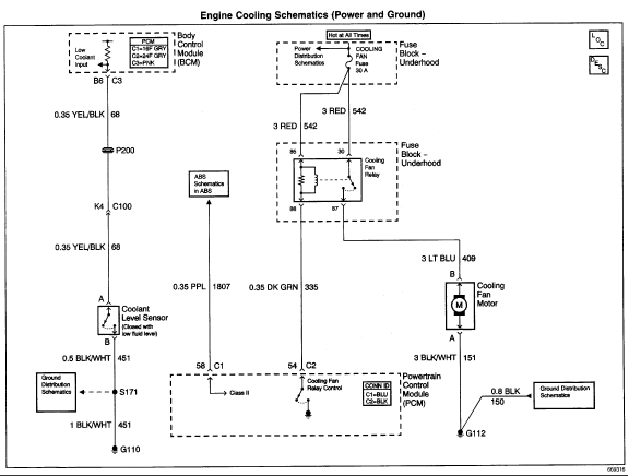
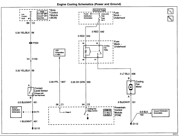
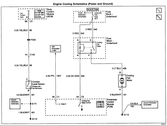
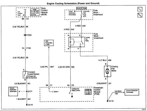
Cooling fan not working. Get code p0480. Changed relay, checked fuse (has a 60A even though its supposed to be 30a but its fine) Checked to see if fan ceased.



