HOME
ASK A QUESTION
REPAIR GUIDES
BECOME A MEMBER
LOG IN
Login with Facebook
OR
Remember me
NOT A MEMBER?
FORGOT PASSWORD?
CONTACT US
PRIVACY POLICY
TERMS AND CONDITIONS
☰
Home
Pontiac
Bonneville
Emission
EGR Valve
Sensor
Location
Trouble codes
ADAMOLSON
MEMBER
2001 PONTIAC BONNEVILLE
6 CYL
2WD
MANUAL
86,000 MILES
Cannot locate evaperator cannister on 2001 bonneville, also egr position sensor cannot be located.
Thursday, February 17th, 2011 AT 5:15 PM
2 Replies
SATURNTECH9
MECHANIC
30,869 POSTS
The egr position sensor is in your linar egr valve so what code's do you have that is making you look for this part's?
Was this
answer
helpful?
Yes
No
Thursday, February 17th, 2011 AT 6:42 PM
RASMATAZ
MECHANIC
75,992 POSTS
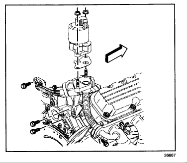
See below
Image (Click to make bigger)
Was this
answer
helpful?
Yes
No
Thursday, February 17th, 2011 AT 8:27 PM
Please
login
or
register
to post a reply.
Related EGR Valve Sensor Location Content
Service Engine Light, Egr Valve Flow And Bak 1 O2...
2000 Pontiac Bonneville Ssei With 185000 Miles. About 3 Weeks Ago I Started Getting An Intermittent Service Engine Lgt. Scanned At Auto...
Asked by
BARB123
·
3 ANSWERS
2000
PONTIAC BONNEVILLE
2000 Pontiac Bonneville Egr Code Issues
Engine Cooling Problem 2000 Pontiac Bonneville 6 Cyl Automatic 141000 Miles I Have A 2000 Pontiac Bonneville Ssei. About 4 Weeks Ago...
Asked by
joesomeone
·
2 ANSWERS
2000
PONTIAC BONNEVILLE
1994 Pontiac Bonneville Cleaning Egr Passage
Code P1406 Purchased A New Egr Valve But Instructions State To Clean Egr Valve Passage B4 Installing. How Do I Do This?
Asked by
beejay
·
2 ANSWERS
1994
PONTIAC BONNEVILLE
2000 Pontiac Bonneville
Engine Performance Problem 2000 Pontiac Bonneville 6 Cyl Automatic 150000 Miles My Car Was Recently Put On A Tester And The Code Po204...
Asked by
taloshasmith
·
1 ANSWER
2000
PONTIAC BONNEVILLE
Ask a Car Question. It's Free!
Code Read Retrieval/Clear Chevrolet
Code Read Retrieval/Clear Mercedes Benz
How to Read Codes