radiator replacement

2001 PONTIAC BONNEVILLE
160 MILES • 6 CYL • FWD • AUTOMATIC
Avatar
JIM.361036
  • MEMBER
  • 2 POSTS
bonneville radiator replacement
Mar 13, 2011 at 8:45 PM
Advertisement
Avatar
RASMATAZ
  • CAR REPAIR CONTRIBUTOR
  • 75,992 POSTS
Radiator Replacement

Tools Required
J 41623-A Cooler Quick Connect Tool

Removal Procedure

Drain the engine coolant.
Remove the upper radiator seal
Remove the upper tie bar.
Disconnect and plug the coolant overflow hose from the radiator.
Disconnect the upper and lower radiator hoses from the radiator and position aside.
Remove the transaxle oil cooler pipe bracket bolt from the lower tie bar.
Remove the cooling fans.
Slide the plastic cap off the transaxle oil cooler pipe quick connect fittings.
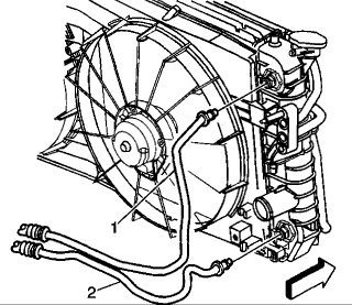
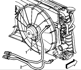
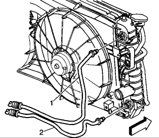
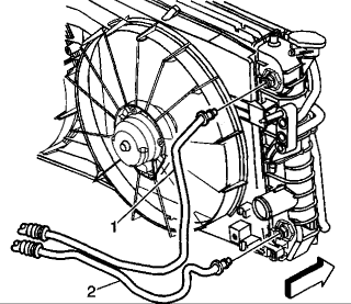
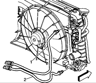
Disconnect the upper (1) and lower (2) transaxle oil cooler pipes from the radiator using the J 41623-A.
Remove the A/C condenser mounting bolts.
Separate the condenser from the radiator.
Lift the radiator up and out of the vehicle.
Mar 13, 2011 at 8:54 PM
Advertisement
Avatar
JIM.361036
  • MEMBER
  • 2 POSTS
Radiator Replacement Tools Required J 41623

What is that?

There appear to be two radiators parallel to each other, or it that all one unit?
Mar 14, 2011 at 1:42 AM
Repair Safety Notice: This information is for general instructional purposes only. Vehicle repair can be dangerous. Verify all information, follow manufacturer service procedures, use proper tools and safety equipment, and consult a qualified repair shop when needed.