Saturday, November 30th, 2013 AT 11:46 AM
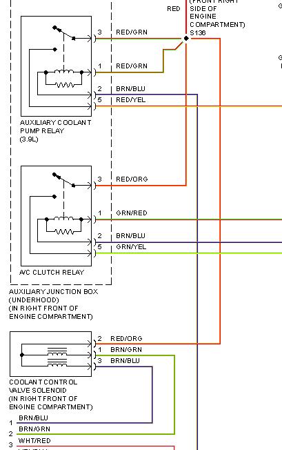
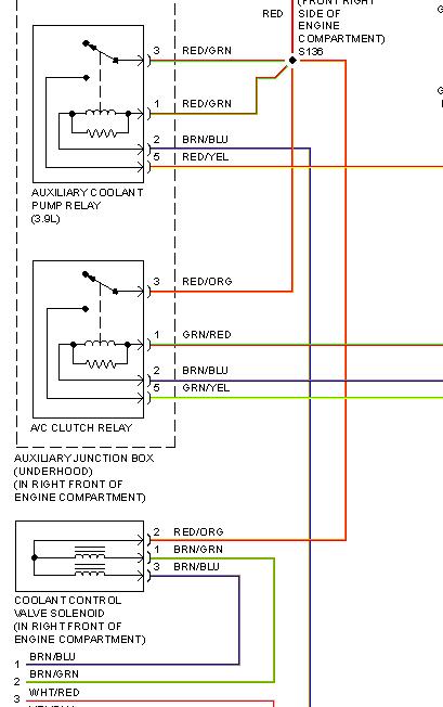
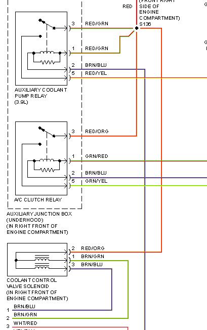
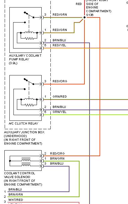
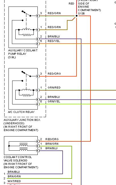
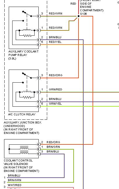
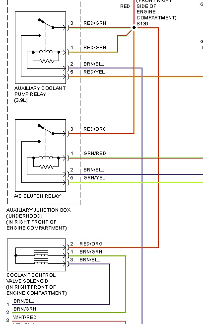
I only have cold air on passanger side of vehicle. Driver side works both warm and cold. I replaced the dual climate control valve the aux coolant pump for the v8 model ran the on board diagnostic codes from the climate control inside the car and I received no codes. No matter what temperature I have the car at the passanger side is always cold. Also I noticed that when I pull up to a red light the heat isn't as warm as it should be on the drivers side like theres something blocking coolant from keeping the car warm.




