Temp guage

Tiny
JAMES PRINTZ
  • MEMBER
  • 2001 JEEP WRANGLER
  • 6 CYL
  • 4WD
  • AUTOMATIC
  • 92,000 MILES
2001 jeep wrangler 4.0 temp guage not working tried new sender and radiator cap
Tuesday, July 19th, 2011 AT 1:56 PM

3 Replies

Tiny
JAMES PRINTZ
  • MEMBER
  • 2 POSTS
Temperature guage no working have tied new sender and radiator cap but it still doesn't work
Was this
answer
helpful?
Yes
No
Tuesday, July 19th, 2011 AT 1:58 PM
Tiny
CJ MEDEVAC
  • MECHANIC
  • 11,005 POSTS
I do CJs

Even New stuff can be Bad!

I am now attempting to find you a wiring diagram of the system so you can trace thru it.

In the mean time :

Disconnect the sender wire, if it's just one wire (on CJs it's pink)

poke a nail or similar conductive item in the connector and ground it to a good ground (engine)

Your gauge should peg out to MEGA HOT!

This will confirm the gauge does work. Or Not. Or it's in the wiring going to it

If your system has more than one wire to the sender--Wait until I get you the diagram lets see what's what on your Jeep

The Medic
Was this
answer
helpful?
Yes
No
Tuesday, July 19th, 2011 AT 3:31 PM
Tiny
CJ MEDEVAC
  • MECHANIC
  • 11,005 POSTS
OK not EZ like a CJ

You shoulda got a CJ!

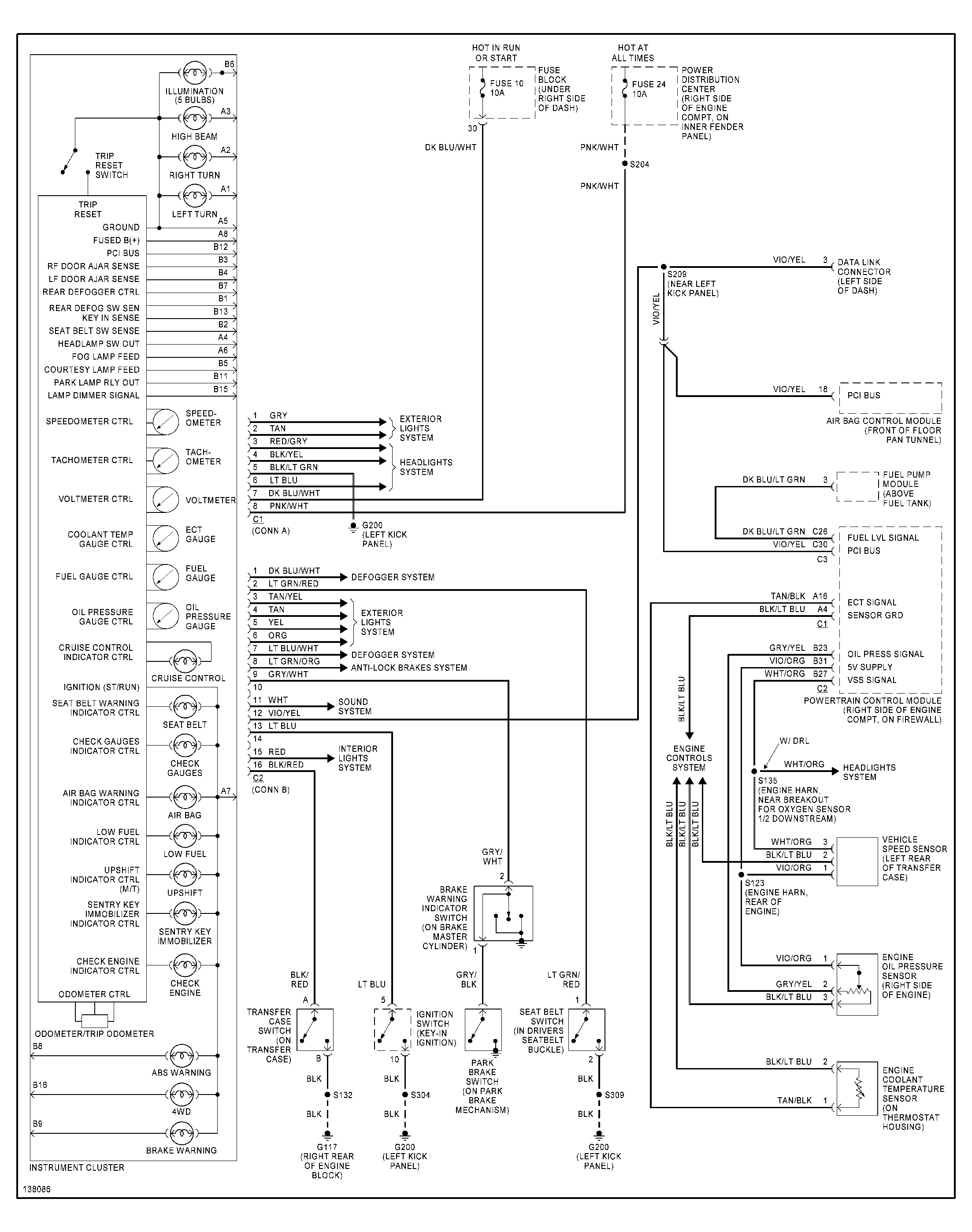
All I can find is One temp sensor---I cannot advise you on how to test it, it seems to go into computer crap, before it reaches the gauge

I myself, might try Jumping across the 2 wires at the sensor connector----But that's ME, I will not ask you to do something I'm not sure of!

Others may jump in, and know more about this!

My 1st observation, I went to Advance Auto on-line, they showed 2 sensors.A coolant temp sensor and a TEMPERATURE SENDING UNIT (exactly the same as a CJ). That's what I based my 1st test on

After going to "Mitchell 1" they only showed one sensor and the wire diagram is WAY UNLIKE a CJs simple wiring!

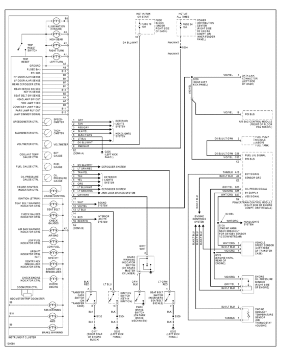
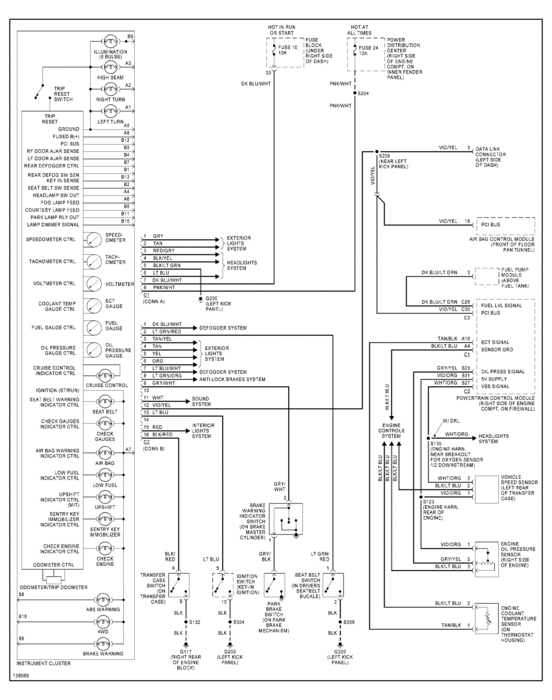
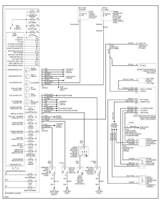
I did get the diagram, here it is,

Update me on what's going on, on your end

The Medic
Was this
answer
helpful?
Yes
No
Tuesday, July 19th, 2011 AT 4:22 PM

Please login or register to post a reply.