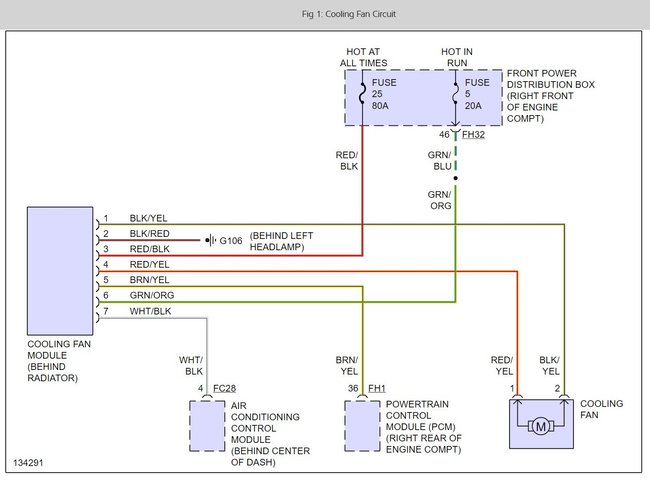
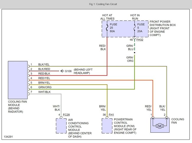
Tuesday, February 22nd, 2011 AT 1:41 PM
Hi I just purchased a 2001 s type 4.0 jaguar and the cooling fan runs continuosly. And the temp needle stays in the middle should this be happening? Thank you for your reply.
