Dash lights marker lights and tail lights not working

Tiny
KYLE SWEENEY
  • MEMBER
  • 2001 HONDA PRELUDE
  • 190,000 MILES
I've replaced the fuse for the tail lights dash and marker lights but as soon as I turn on the switch for the lights it blows the fuse. Headlights do work though.
Wednesday, February 13th, 2019 AT 7:47 PM

5 Replies

Tiny
STEVE W.
  • MECHANIC
  • 15,697 POSTS
Welcome to 2CarPros.

That sounds like you have a short in the lighting circuit for those lights. Which fuse are you changing? It looks like there is one under the hood #42 an another under the dash #10.
Depending on the one that is blowing it might help narrow down the search for the short.
Was this
answer
helpful?
Yes
No
-1
Thursday, February 14th, 2019 AT 2:45 AM
Tiny
KYLE SWEENEY
  • MEMBER
  • 3 POSTS
I have changed the #10 15a fuse under the dash. As soon as I flip the lights on it pops.
Was this
answer
helpful?
Yes
No
+1
Thursday, February 14th, 2019 AT 3:37 AM
Tiny
STEVE W.
  • MECHANIC
  • 15,697 POSTS
Okay, that helps narrow it down a bit. The one under the hood powers a few other circuits before it gets to the lights. Fuse 10 still has a large circuit but it should be easier to trace.
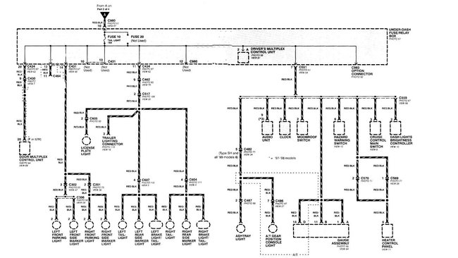
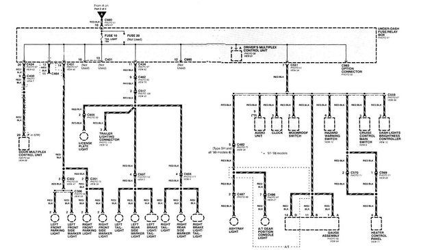
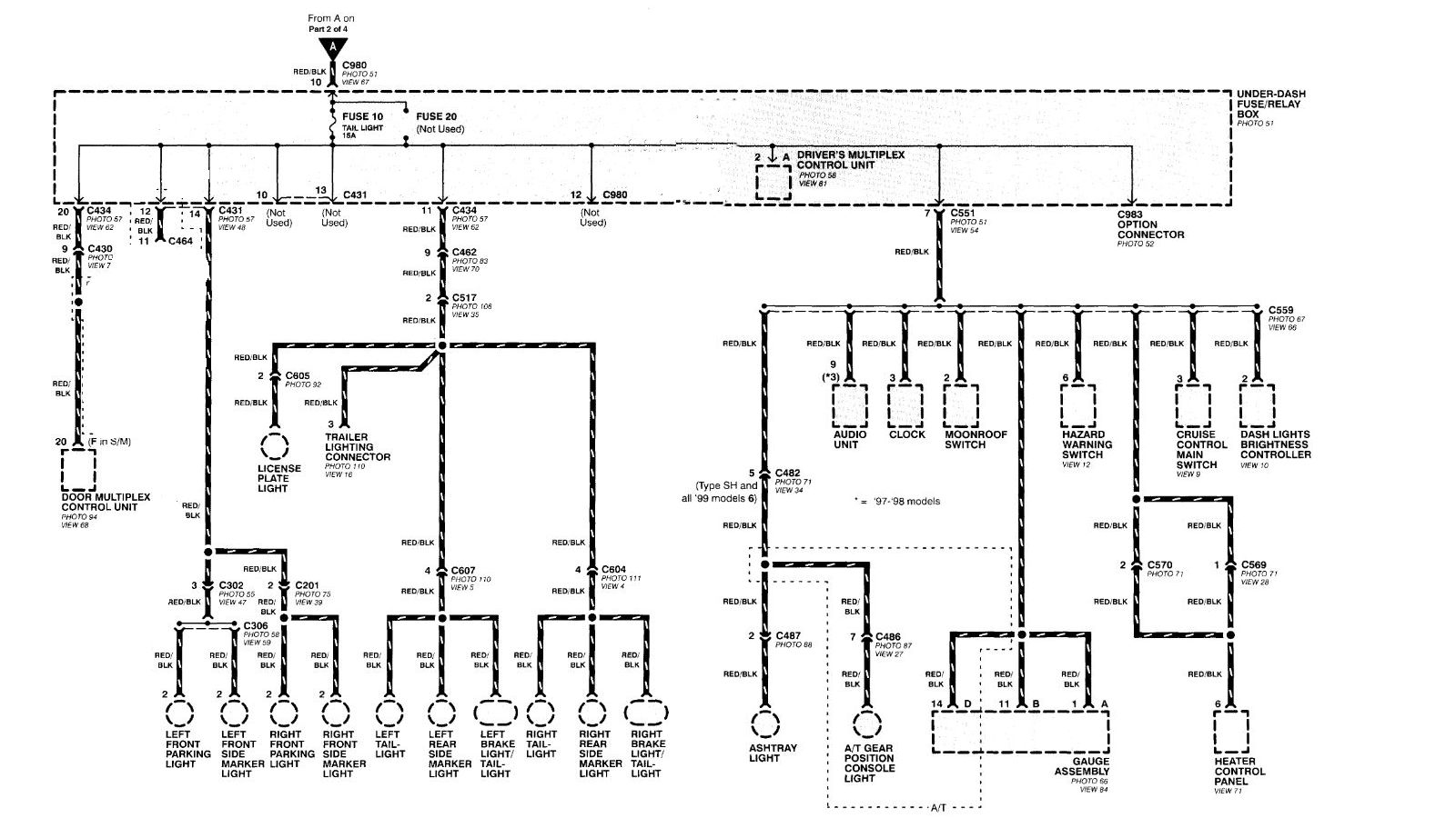
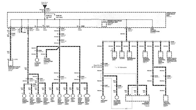
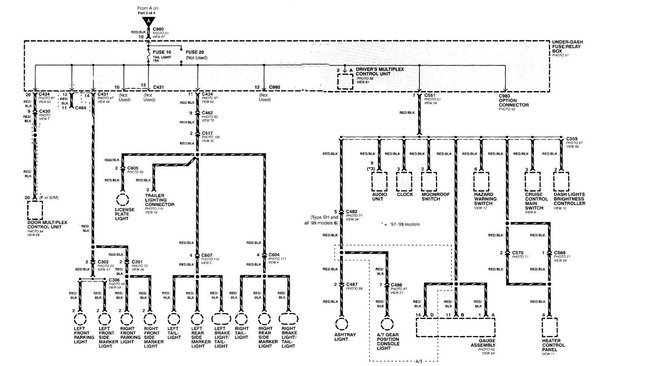
Did anything happen prior to this like any accidents or changing of bulbs? Does this car have a hitch on it? Trailer harnesses are real bad about shorting. The attached should cover the lights that are the problem. There are a couple ways to find a short. I'll give you the easier version first. Go to a parts store or online and get a short finder. It's basically a thermal circuit breaker and a magnetic needle. You connect it in place of the fuse and then hold the needle close to the path of the wire. The needle will bounce around as the breaker cycles. Where it stops is the area of the short. I would only use it for about ten minutes, then let the wires cool as the short will try to heat them up.

To narrow it down even faster you can go to each of the tail and front lights, pull them out like you were changing a bulb, there will be a connector in the line, if you disconnect them one at a time you could find that the short is in one of the lights itself. There are also inline connectors. In the attached image C517 which is attached to the rear shelf in the trunk can be disconnected, if the short goes away the problem is in the rear lighting harness.

You can also use a test light connected in place of the fuse and do the same testing by disconnecting the connectors in the harness until the light goes out.
Was this
answer
helpful?
Yes
No
+2
Thursday, February 14th, 2019 AT 5:35 AM
Tiny
KYLE SWEENEY
  • MEMBER
  • 3 POSTS
Thank you. I will try some of the and see what works.
Was this
answer
helpful?
Yes
No
Tuesday, March 12th, 2019 AT 5:23 PM
Tiny
STEVE W.
  • MECHANIC
  • 15,697 POSTS
Keep us in the loop please, and ask any followup questions if you get stuck.
Was this
answer
helpful?
Yes
No
Tuesday, March 12th, 2019 AT 7:31 PM

Please login or register to post a reply.