Non functioning

Tiny
SYLVAIN AMAR
  • MEMBER
  • 2001 GMC SAFARI
  • 6 CYL
  • 2WD
  • AUTOMATIC
  • 175,000 MILES
Air conditioner working but air only comes out of top vent
Monday, June 13th, 2011 AT 4:20 PM

7 Replies

Tiny
JDL
  • MECHANIC
  • 16,098 POSTS
The actuators are vacuum controlled. Check vacuum source.
Was this
answer
helpful?
Yes
No
Monday, June 13th, 2011 AT 4:40 PM
Tiny
SYLVAIN AMAR
  • MEMBER
  • 4 POSTS
ALL VACUUM HOSES WERE CHECKED AND SEEM FINE?
Was this
answer
helpful?
Yes
No
Monday, June 13th, 2011 AT 5:23 PM
Tiny
JDL
  • MECHANIC
  • 16,098 POSTS
There has to vacuum, can you feel the vacuum? If the hoses are fine and there is no vacuum, it won't work.
Was this
answer
helpful?
Yes
No
Monday, June 13th, 2011 AT 5:26 PM
Tiny
SYLVAIN AMAR
  • MEMBER
  • 4 POSTS
THERE IS VACUUM AND THE AIR IS COMING OUT FROM THE TOP AND BOTTLE VENTS JUST NOT THE MANIN MIDDLE VENTS?
Was this
answer
helpful?
Yes
No
Monday, June 13th, 2011 AT 5:28 PM
Tiny
JDL
  • MECHANIC
  • 16,098 POSTS
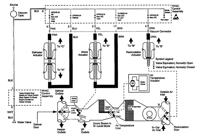
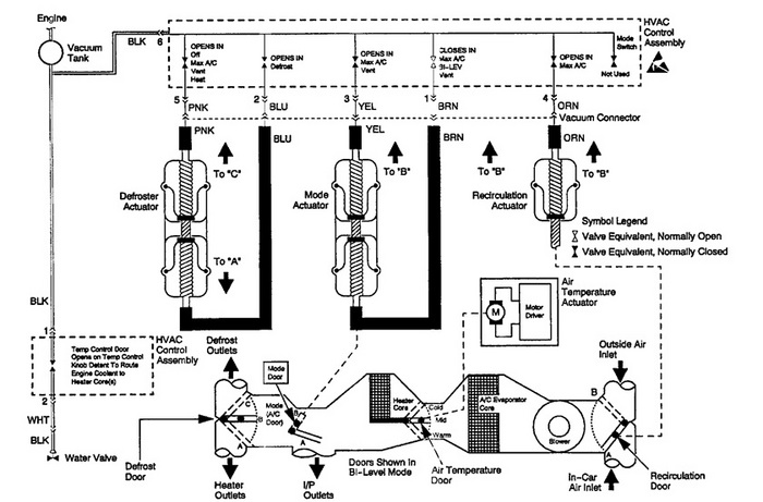
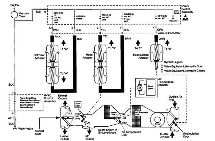
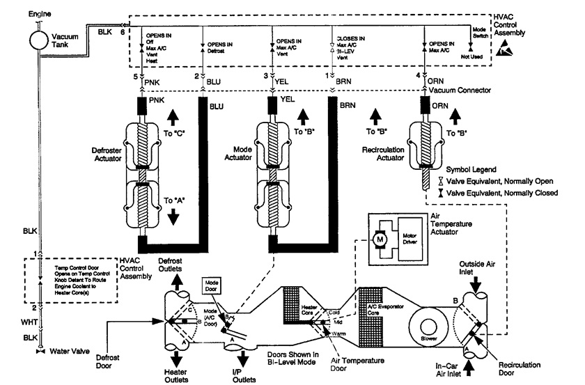
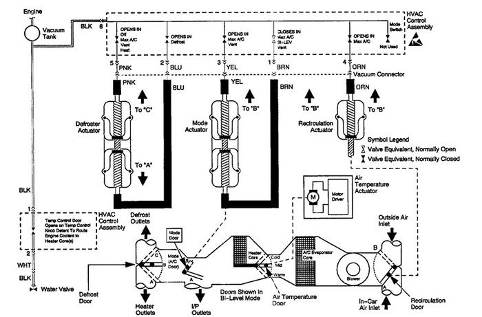
Below is the vacuum diagram. Check the vacuum to and from the actuator.
Was this
answer
helpful?
Yes
No
Monday, June 13th, 2011 AT 5:32 PM
Tiny
SYLVAIN AMAR
  • MEMBER
  • 4 POSTS
Ok great than you veru much
Was this
answer
helpful?
Yes
No
Monday, June 13th, 2011 AT 5:33 PM
Tiny
WRENCHTECH
  • MECHANIC
  • 20,761 POSTS
The mode selection is done through a series of air doors that are operated by vacuum. When there is either a partial or total loss of vacuum, the system will default to either defrost or on some vehicles, heat. Acceleration can also have an effect on the doors for the same reason.

Look under the hood for a small black plastic hose coming through the firewall. Follow it to the vacuum source looking for any breaks, cracks or leaks. Also follow any other lines that branch off because they may go to a vacuum reservoir (storage tank) and a leak there will cause the same problem. Using a vacuum gauge to determine if you have full vacuum at any given point is the best way to find it. You can cut into the line anywhere and splice it back together with a piece of vacuum hose. Find the broken line, you found your problem.
Was this
answer
helpful?
Yes
No
Monday, June 13th, 2011 AT 7:25 PM

Please login or register to post a reply.